#嘉立创PCB#从头到尾讲解RK3588 EVB的原理图
1、原理图整体介绍

左边是原理图页介绍
中间这个是生成BOM表用,原理图画好之后使用这2个脚本直接生成BOM表,当然可以手动修改。
ItemtParttDescriptiontPCB FootprinttReferencetQuantitytOption
{Item}t{Value}t{Description}t{PCB Footprint}t{Reference}t{Quantity}t{Option}
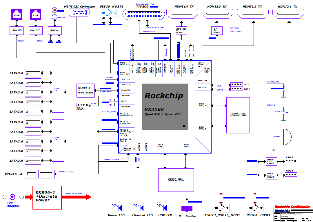
2、框图

3、电源架构

画出了电源输入和分配输出,主要由大电流DCDC和PMU组成,这个图的目的是让人一眼看出电源分布,以方便评估项目的电流大小。
4、RK3588电源上电时序

时序基本是RK806这边管控好了,对于硬件工程师基本只需要考虑项目是否需要用到开关机按键 是否需要默认开机就行了。
5、USB配置

rk3588的usb dp sata pcie 很多复用,这里给了一个说明,根据项目需求进行设计。
6、核心供电

按照原厂参考即可
7、CPU部分电路

soc工作需要提供24M晶振和reset
8、CPU部分 GPIO

CPU的GPIO部分 包含串口 I2C
9、DDR部分

采用lpddr4 2颗,最高32GB
10、RK3588 EMMC SPI

SOC支持EMMC,最高256GB,支持spi启动
11、typec电路

rk3588支持2路typec3.0,其中一组可作为OTG使用,通过软件配置,这2路都支持DP输出,但是不可以同时。
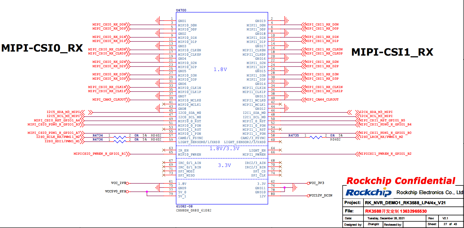
12、rk3588 mipi输出


支持4lane输出,可以拆分成2个2lane输出,最高支持6路摄像头,总共48M

登录 或 注册 后才可以进行评论哦!
还没有评论,抢个沙发!