-----本文简介-----
主要内容包括:
- 电源芯片为何关断之后还有静态电流与关断电流?
----- 正文 -----
先赞↓后看,养成习惯!
1. 什么是关断电流Shutdown current
关断电流 Shutdown current,即ISD是指通过使能引脚关闭IC后,流入输入引脚的电流。
2. 为何会存在关断电流
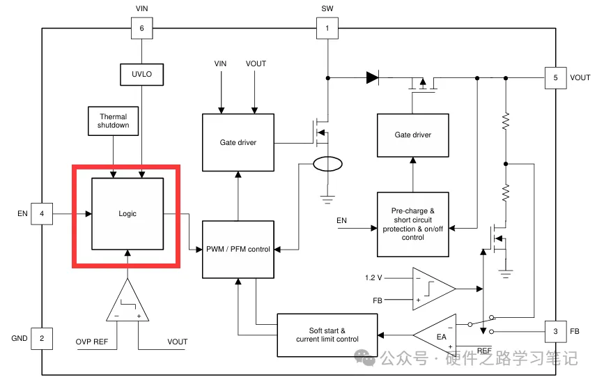
在IC关闭后,还是有需要维持IC功能的模块需要工作,这个时候会有微小的电流消耗。例如下图的EN逻辑电路一定是要工作的,否则无法维持IC的关断状态。

3. 什么是静态电流 Quiescent current
静态电流 Quiescent current ,即IQ是指IC是启动状态,但是并没有加负载时,流入IC输入引脚的电流。另外一种算法是流入输入引脚的电流与流出输出引脚的电流差值。
4. 为何会存在静态电流
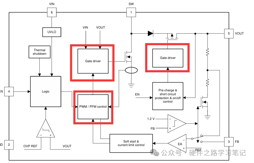
当输出空载时,虽然不用输出电流,但是还是会需要维持输出电压稳定,这个时候内部MOS的驱动电路也是会进行通断操作,区别在于如果是轻载高效的DCDC其无负载时通断操作会比较少,因此静态电流更小。另外反馈回路也是会工作的。因此就会有微小的电流消耗。

5. 关断电流与静态电流的大小
以TI的TLV61046为例,关断电流标称是0.1uA处于关断模式时,隔离开关会将输出与输 入断开以最大限度降低泄漏电流,静态电流标称是110uA,差距还是很明显的。

而同样TI的LDO-LM1117,其静态电流是5mA,不同的IC差异很大。
6. 为何要在意这种微小的电流
当设计中包含电池时,再微小的电流也需要考虑,假设一个IC关断电流是1mA,用一个1000mA·h的电池,即使系统休眠使电源IC关断来断开其他负载,那也就能维持大约1000小时的续航,即1000/24=41.6天,这个续航时间在很多电子产品中是完全不可接受的,因此在设计中要重点考虑关断电流。


登录 或 注册 后才可以进行评论哦!
还没有评论,抢个沙发!