主要内容
- LDO基本原理
- LDO参数
正文
一、
何为LDO?
LDO是低压差线性稳压器的英文简称,是新一代的集成电路稳压器,它与三端稳压器最大的不同点在于,低压差线性稳压器(LDO)是一个自身功耗很低的微型器件。LDO是一种串联稳压器,他的负载和内部晶体管是串联形式,区别于并联稳压器,,它可用于电流主通道控制,芯片上集成了具有极低导通电阻的MOSFET、肖特基二极管、取样电阻和分压电阻等硬件电路,并具有过流保护、过温保护、精密基准源、差分放大器、延迟器等功能。
LDO如何工作?其通过控制内部开关管的状态来控制输出电流,区别于DC-DC,LDO的开关管大部分时候工作在放大区(可变电阻区),通过控制开关管的压降来控制输出电压,也因此LDO输入电压一定要大于输出电压。
以下图为例,当输出电压Vout增大时,误差放大器正端大于参考电压Vref,误差放大器输出电压增大,此时MOS管G极电压增大,若VIN不变,即S级电压不变,则PMOS的Vgs电压Vg-Vs的绝对值减小,MOS管压降Vdrop增大,则VOUT=Vin-Vdrop减小,总体产生了负反馈,最终会平衡在Vout=Vref x (1+R1/R2)上。

二、
LDO种类与内部架构
01
不同内部架构
LDO根据内部晶体管不同分别有NPN、PNP、NMOS、PMOS型四种结构,每种结构都有优缺点。

图1. PMOS型LDO

图2.NMOS型LDO
02
举例
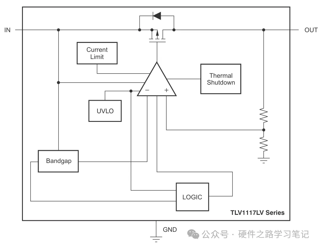
以TI的TLV1117LV33DCYR为例,他的内部架构如下图,明显是一种PMOS型LDO

三、
LDO关键参数
01
压降Vdrop
压降电压 Vdrop是指为实现正常稳压,输入电压 VIN必须高出所需输出电压 VOUT 的最小压差。压降与输出负载大小有关,如下图:

02
静态电流

静态电流 IQ 是系统处于待机模式且在轻载或空载条件下器件自身所消耗的电流。此电流很小,但在对于大部分时间都处于待机或关机模式的应用,如智能手表等,静态电流将产生重大影响。
一般的LDO静态电流在uA级别,但是随着负载的增加,器件自身消耗的电流也在增加,如下图的TLV1117LV33DCYR:

03
电源抑制比PSRR

电源抑制比是一个很重要的参数,它代表了LDO抑制输入噪声的能力。定义是输入纹波电压与输出纹电压的比值,单位是分贝(dB),其表达式为:
粗浅理解即:假设在某个频率下输入纹波电压为100mV,那么输入到一个20dB共模抑制比的LDO后输出电压文波为10mV。


登录 或 注册 后才可以进行评论哦!
还没有评论,抢个沙发!