电桥式PT100+差分放大输出,输出和计算对不上?
前两天买了一个三线制的PT100测温的模块,今天和大家一起分析一下这个原理。 由于原理和博主 >行者< 的博客内的原理图基本一致,所以我就以博主 >行者<的原理图展开推文内的计算,原理图如下:

电桥的本质上是根据上图中电压V1和V2的电压差值,经过差分比例放大20倍后输出电压Vo给MCU,MCU通过Vo的值,反推PT100电阻的阻值。 在博客里有写Vo的公式:
Uo= (V1-V2)*(R8/R12)=20*(V1-V2)
对此,其实我想说,公式很理想,实际由于差分比例放大的输入阻抗,会导致输出电压Vo绝不是这个公式。那么接下来就经过仿真去验证一下吧。
仿真:
仿真使用的运放为理想运放,为了排除输入失调电压Vos,输入失调电流Ios带来的影响,将其均设为0,例如下图:

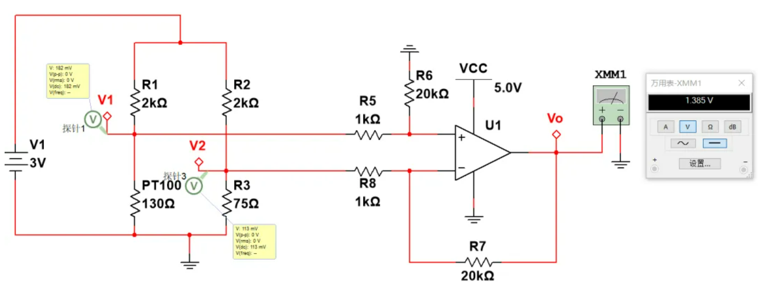
按照计算公式理论计算值应该是1.4933V左右:

但是实际仿真图如下,我们也设置Gain为2 0倍 , 将PT100设为 130Ω,可以看到V1电压为182mV,V2电压为113mV,输出电压为1.385V,与计算公式对应不上。

那么 这个输出电压Vo就是由于差分比例放大电路的输入阻抗导致的测量误差 ,仿真图中的实际输出电压计算步骤如下:

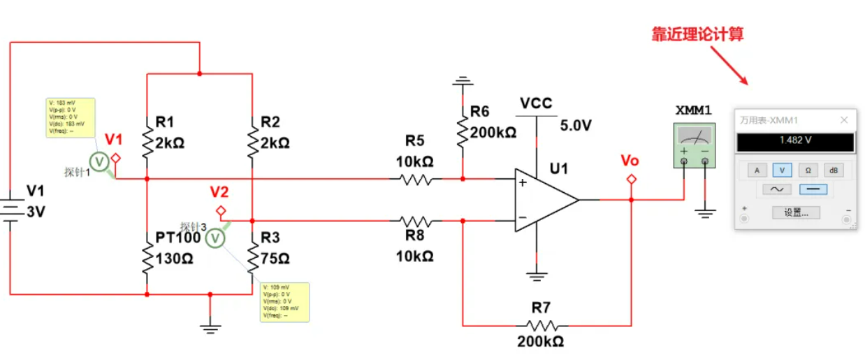
如果按照理想的公式去计算的话,差分比例放大器的外围电阻也会影响误差大小。例如将差分放大的比例电阻均增加10倍,增益不变,那么可以看到输出结果会靠近理论结果(误差变小)。

理论上电阻越大,差分放大的输入阻抗就会越大,会越接近理论计算结果;但是实际上由于运算放大器的输入失调电流,不能无限的增加电阻阻值。
这种电桥也适合做三线法RTD电阻测量,三线法可以一定程度上减少线组带来的测量误差。感兴趣的道友自行了解,等效的仿真如下:

总结:使用桥式测量的时候要注意差分比例放大电路的输入阻抗。#中秋月圆社区团圆##嘉立创##嘉立创PCB#


登录 或 注册 后才可以进行评论哦!
还没有评论,抢个沙发!