-----本文简介-----
主要内容包括:
- 为何外置二极管的非同步BOOST无法完全关断?
- 同步BOOST一定能完全关断吗?
- TLV61046A,
----- 正文 -----
先赞↓后看,养成习惯!
一、为何有的非同步BOOST无法完全关断?
1. 非同步BOOST拓扑
下图是BOOST电路的电路拓扑,集成非同步BOOST控制器器其实只是集成了BOOST拓扑电路的开关管,并且加入了一些其他的功能。

2. 为何无法完全关断?
即使通过控制器的使能引脚关闭了控制器,但也只是关闭了控制器自身的稳压功能,输入VIN还是能通过电感L、二极管D流向输出VOUT处,与负载形成回路。

3. 如何让非同步BOOST也能完全关断?
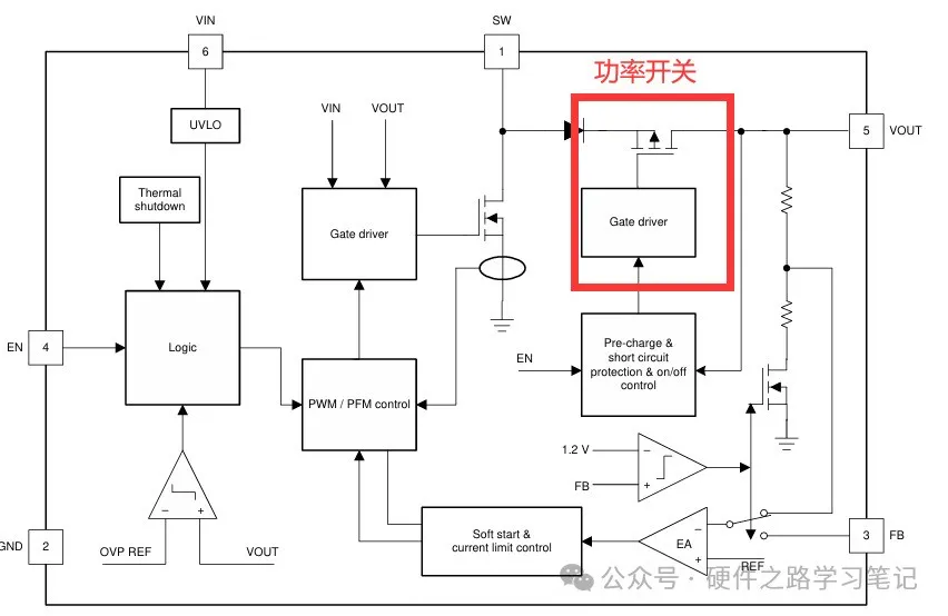
介绍一款芯片:TI的 TLV61046A,此芯片是非同步的,但是其二极管是内置的,而且在二极管后又内置了一个功率开关,因此其可以完全关断如下图是其拓扑结构。

下图是其关断时的输出电压,可以看到能达到0V:

二、同步BOOST控制器一定能完全关断吗?
1. 同步BOOST控制器拓扑
一般的集成同步型BOOST控制器结构如下图,内置两个开关管,用MOS管代替了二极管,效率更高,外围电路简单。

2. 不能完全关断的同步型BOOST控制器
TI的TPS61088是一款同步型BOOST,他的内部拓扑图如下,有两个开关管。

但是其使能关断时的输出如下图,不能完全关断,是由于其内部没有专门的功率开关。

三、 总结
1. 判断能否完全关断
BOOST是否完全关断与其是非同步或者同步没有关系,而与其内部有没有专门集成功率开关有关,想要判断能否完全关断可以从手册提供的使能关断波形判断,使能关断后VOUT能到0V就是能完全关断,不能到0V就是不能完全关断。
2. 能否完全关断有何影响?
为何需要完全关断呢?根据其负载会有不同的影响,例如BOOST给电池升压,如果没有完全关断则其一直会有损耗;如果是升压给灯等负载供电,那么没有完全关断灯可能还会微亮等。
欢迎评论区讨论,别忘了点赞!!!


登录 或 注册 后才可以进行评论哦!
还没有评论,抢个沙发!