兼容MT3520B 5.5V/2A 2MHZ同步降压转换IC
简介
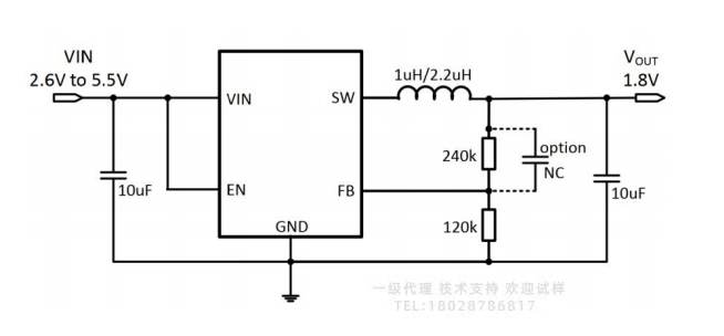
SY8089是一种高效率的DCDC降压开关稳压器,能够输出高达2A的输出电流。该器件在2.6V至5.5V的输入电压范围内工作,并提供0.6V至VIN的输出电压。在2MHz的固定频率下工作,允许使用小型外部元件,如陶瓷输入和输出电容以及小型电感器,同时仍能提供低输出纹波。这种低噪声输出以及其由内部同步整流器实现的优异效率,使SY8089成为大功耗线性稳压器的理想替代品。内部软启动控制电路减少了浪涌电流。短路和热关机保护提高了设计可靠性。SY8089以SOT23-5包的形式提供。
特点
- 高效率:高达 97%
- 2A最大输出电流
- 2MHz开关频率
- 低压差100%占空比
- 内部补偿和软启动电流模式控制
- 电压参考0.6V
应用
- 机顶盒,液晶电视
- 迷你笔记本电脑
- 接入点路由器
- 网络PC


#嘉立创PCB#
嘉立创PCB

登录 或 注册 后才可以进行评论哦!
还没有评论,抢个沙发!