产品描述
MT3420B是一个1.5MHz恒定频率,电流模式降压转换器。它是理想的便携式设备,需要非常大电流的单电池锂离子电池,同时在峰值负载条件下仍然达到超过90%的效率。MT3420B还可以在100%的占空比下运行,延长便携式系统的电池寿命,而轻负载操作为噪声敏感应用提供非常低的输出纹波。MT3420B可以从2.3V到6V的输入电压提供高达2A的输出负载电流,输出电压可以调节到低至0.6V。高开关频率最小化的外部组件,同时保持低开关损耗。内部坡度补偿设置允许装置以较小的电感值运行,以优化尺寸和提供有效的操作。M3420B提供了一个低轮廓(1毫米)6针,薄的SOT包,并可在一个可调的版本。该设备提供了两种操作模式,PWM控制和PFM模式切换控制,这允许在更广泛的负载范围内实现高效率。
产品特点
高效率:高达96%的1.5MHz恒频运行
2A输出电流不需要肖特基二极管
2.3V至6V输入电压范围输出电压,低至0.6V
PFM模式高效光负荷100%占空比
低静止电流:40μA短路保护
热故障保护,涌入电流限制和软启动
<1μA关闭当前SOT23-6软件包

MT3420B是一个高输出电流单片开关模式降压DC-DC转换器。该设备工作在一个固定的1.5MHz开关频率,并使用一个斜坡补偿电流模式架构。这种降压DC-DC转换器可以在VIN =为3.6V下提供最多2A的输出电流,输入电压范围从2.3V到6V。它最小化了外部组件的尺寸,并在重负载范围内优化了效率。斜率补偿允许器件在更大的电感值范围内保持稳定,从而使用较小的DCR值(1μH到4.7μH)来实现更高的效率。在输出端只需要一个小的旁路输入电容器。可调输出电压可编程与外部反馈到任何电压,范围从0.6V到接近输入电压。它使用内部MOSFETs来实现高效率,并可以通过使用0.6V的内部参考产生非常低的输出电压。在退出运行时,转换器占空比增加到100%,输出电压跟踪输入电压减去p通道高侧MOSFET和电感器DCR的低RDS(ON)下降。内部误差放大器和补偿器提供了卓越的性能
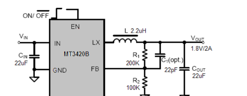
图1显示了MT3420B的基本应用电路。MT3420B可以通过外部进行编程。图1中的电阻R1和R2编程输出调节在高于0.6V的电压。为了限制外部反馈电阻串的偏置电流所需的抗扰性,R2的最小建议值为59kΩ。虽然较大的值会进一步降低静止电流,但也会增加反馈节点的阻抗,使其对外部噪声和干扰更加敏感。表1总结了各种输出电压的电阻值,R2设置为59kΩ为良好的噪声豁免性,或316kΩ为减少无负载输入电流。外部电阻器根据以下公式设置输出电压
#嘉立创PCB#

登录 或 注册 后才可以进行评论哦!
还没有评论,抢个沙发!