今天看某日本厂家的桥式压力传感器数据手册,发现一处错误,与各位同好做一下分享,同时希望各位同好在看数据手册的时候有所思考,数据手册里的也不完全是对的。下图是桥式压力传感器数据手册里的一个典型应用电路。

然后对于这个电路的参数如下:


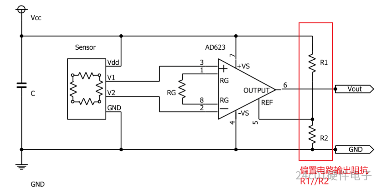
有没有发现错误?错误就在下图,这个电路错就错在偏置电路包含一个R1//R2的输出阻抗,按照上图推荐参数的话,就是10K并联3K,大概就是2.3KΩ的输出阻抗。

然而手册里提供的输出电压公式内是没有考虑到这个输出阻抗的,这个是不正确的。

这个公式成立的条件是偏置电路的输出阻抗为0,而如果简简单单使用电阻分压的方法,无疑会引入额外的阻抗,那么这对于仪表运放来说,是不好的。这个电阻分压得到的电路等效如下图(下图为AD623的内部框图),那么很明显偏置电路额外的输出阻抗是会影响最终的输出结果的:

正确的处理方式应该是增加电压跟随器/使用基准源芯片作为基准,以减小基准源的输出阻抗。这种应用下,基准源的输出阻抗越小越好。下图里的这种加了跟随器再接到Vref管脚才是正确的基准偏置。
#创享2025##嘉立创PCB##嘉立创18周年庆,赢金豆兑壕礼##畅聊专区#
嘉立创PCB


登录 或 注册 后才可以进行评论哦!
还没有评论,抢个沙发!