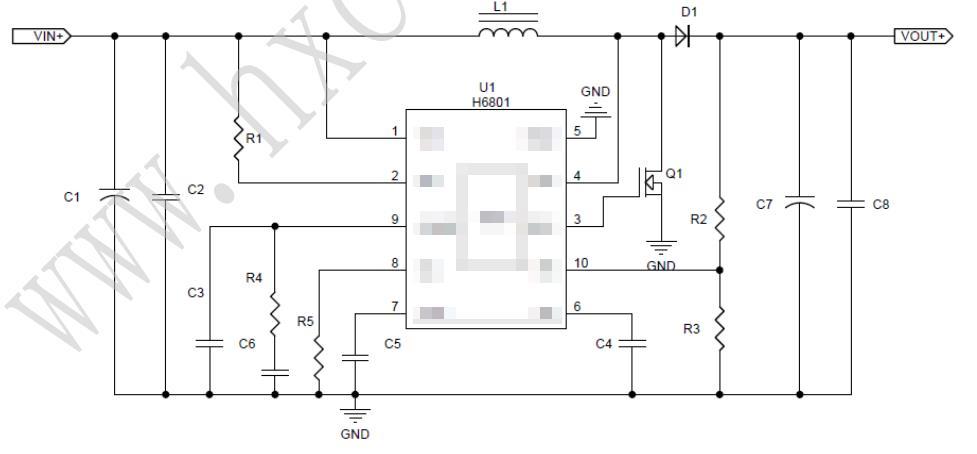
H6801 升压恒压控制驱动芯片
基本属性:是电流模式 BOOST 升压恒压控制驱动芯片,适用于 2.7 - 25V 输入电压范围的升压恒压电源应用领域,启动电压低至 2.5V ,可根据负载大小自动切换 PWM、PFM 和 BURST 模式,提升电源系统效率。
性能特点:
高效转换:转换效率通常可达 95% ,支持脉冲频率调制,低负载时进一步降低功耗,比如在智能传感器等间歇工作设备中,能减少能量损耗,延长电池续航。
宽电压输入:输入电压范围 2.7 - 25V ,能适配锂电池(放电时从 4.2V 满电逐渐降至 3.0V 甚至更低等情况 )、太阳能等不同供电场景,确保电池在 2.7 - 4.2V 整个放电周期稳定工作。
大电流与功率:支持 9A 大电流,可实现 200W 大功率输出(如 VIN = 12V,VO = 36V,IO = 0.9A,25℃时效率在 90% 以上 ),满足高功耗设备供电,像车载音响升压、电动工具快速补电等场景。
低待机功耗:带 EN 使能脚,静态关机电流可低至 2μA,显著延长设备待机时间,适合智能传感器这类间歇工作设备。
稳定精准:采用闭环反馈控制,通过 FB 脚调节,负载和线性调整率良好,动态响应快,输出电压波动小,能为负载提供稳定电源。
多重保护:内置过压保护(OVP)、过流保护(OCP)、过温保护(OTP),还有软启动防浪涌功能,防止异常工况损坏电路,提升可靠性。
低 EMI 设计:采用频率抖动技术,EMI 噪音低,易通过相关认证,减少对敏感电路干扰,比如在音频功放模块供电等场景,可避免影响音质等。
应用场景:
消费电子:搭配 PD 协议芯片等组成智能充电系统,支持多串锂电池组快速充电,满足手机、平板电脑等设备快充;也可用于太阳能玩具、户外摄影设备供电(如 3.7V 充电宝驱动 24V 影视灯 )。
车载领域:可为车载音响升压,将 12V 车电升压至 36V,提升音质;还能用于车载设备供电、充电等场景。
工业设备:给电动工具等高功耗设备快速补电;在太阳能控制板供电等工业场景也可应用,像 3.2V 升 12V1A 太阳能控制板供电方案 。
智能传感器:因低待机功耗,适用于智能传感器等间歇工作设备供电,保障设备长时间稳定运行。

登录 或 注册 后才可以进行评论哦!
还没有评论,抢个沙发!