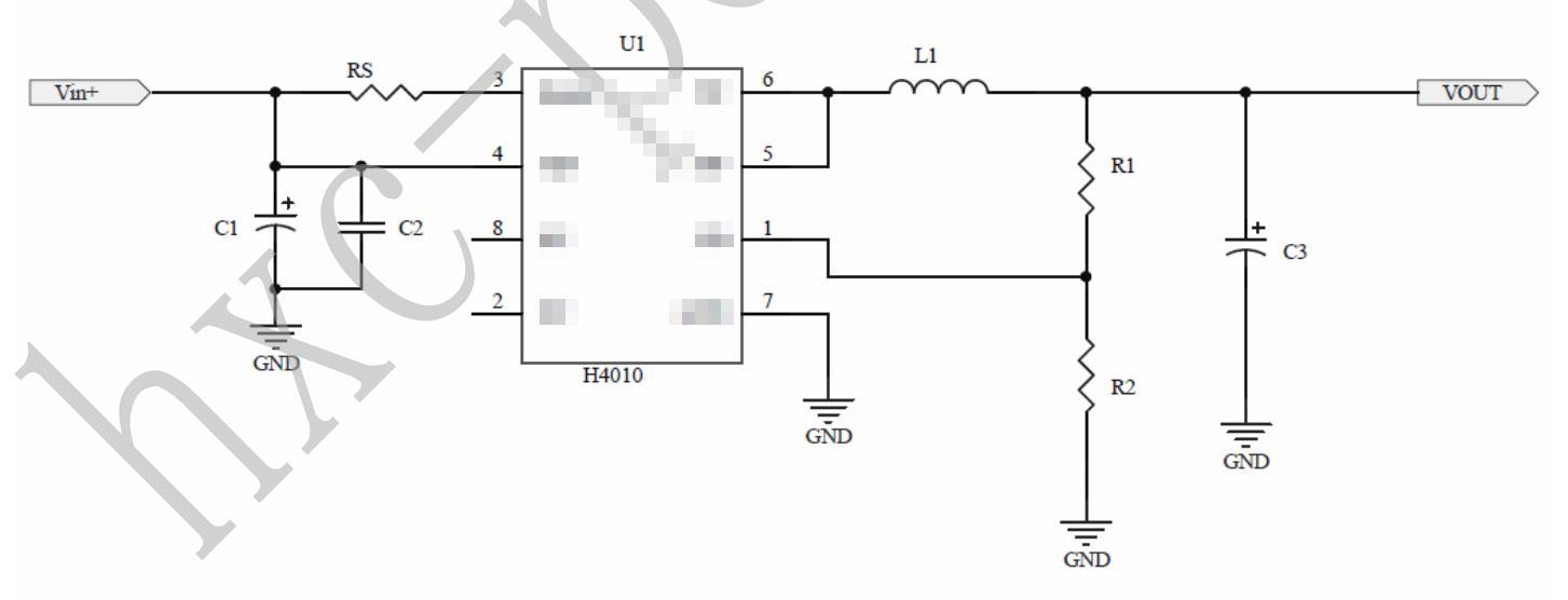
H4010 是一种同步降压型 DC - DC 转换器芯片,以下是其详细介绍:
主要特性:
电压范围:内置 30V 耐压 MOS,输入范围为 5V - 24V。通过调节 FB 端口的分压电阻,可输出 2.5V 到 22V 的稳定电压,支持 100% 占空比。
电流能力:可支持 1A 持续输出电流,内置 120mΩ High - side PMOS 和 80mΩ Low - side NMOS。
控制精度:恒流精度 ±8%,恒压精度 ±3%。
工作频率:工作开关频率为 170kHz,具有良好的 EMI 特性,采用高端电流模式的环路控制原理,动态响应快速。
保护功能:具备短路保护(SCP)、过热保护(OTP)、欠压保护(UVLO)等多重保护机制。
封装形式:采用 ESOP - 8 封装,芯片底部设计有功率散热焊盘与 SW 管脚连接,能有效帮助芯片散热。
应用场景:
汽车充电器:能将汽车电瓶的电压转换为适合手机、平板电脑等设备充电的电压。
照明灯:可确保 LED 照明系统等灯光稳定,避免闪烁,精确控制输出电压和电流。
便携式设备供电电源:为无人机、移动电源等需要长时间运行的便携式设备提供稳定、高效的电力支持。
电池充电器:在电池充电过程中,能控制充电电流和电压,延长电池寿命。


登录 或 注册 后才可以进行评论哦!
还没有评论,抢个沙发!