本期分享的是5群的朋友遇到的问题,是两个群友的问题,而且很巧都是一个性质的问题,所以统一整理为一篇文章分享给大家。
问题1描述:
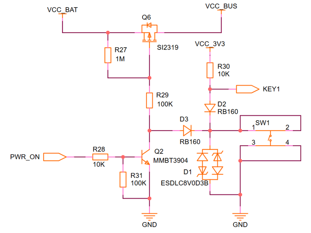
一键开关机电路,电路上电就开机,不受控制。

排查1:按键有没有焊反?焊反会导致直通(例如1,2管脚焊到1,3上)。
按键焊接正常。
排查2:TVS有没有短路?
拆掉TVS问题依旧存在。
排查3:是不是肖特基漏电流太大?
更换RB160肖特基二极管为低漏电流的开关二极管1N4148。问题解决。
下图为两者的漏电流对比,可以看到1N4148的漏电流必RB160漏电流小的非常多。

可能就是这条漏电流的路径导致一键开关机电路异常,电流路径如下所示:

问题2描述:
电压检测电路,测试室温25℃下电压为 1.5V 左右,高温 70 ℃检测电压提高到了 2V 左右,异常。(24V是直流电源供电,没有异常)

排查:怀疑是肖特基二极管高温线漏电流变大导致,所以去掉二极管D5,问题解决,高温70℃电压测试正常1.5V。
可以看到B5817W在高温下反向漏电流会提高100多倍,值得注意。

通过仿真的温度扫描也可以看到,随着温度增加,肖特基的漏电流增大,被测电压上升。(找了个类似的模型)

修改建议:
使用低漏电流的二极管做防护,例如BAT54或者BAV199等。

总结:
不要忽视肖特基的漏电流,尤其是一些低功耗,低电压电流测量的场合。这个问题非常常见,避雷避雷。
来自好友 24c01硬件电子


登录 或 注册 后才可以进行评论哦!
还没有评论,抢个沙发!