详情描述
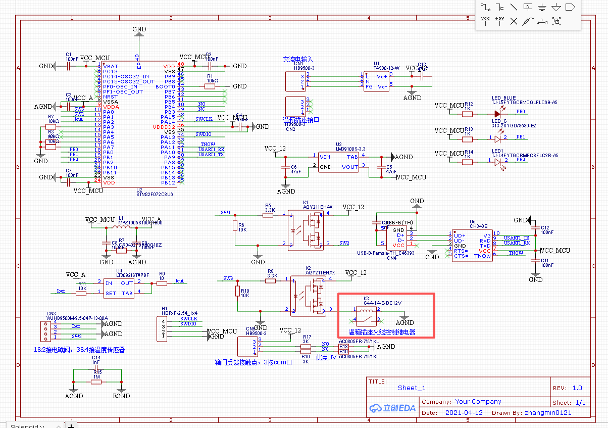
#DIY设计#  朋友们如图所示,当K3继电器闭合后,串口助手就接受不到来自MCU返回的数据,但是MCU能够正常接受串口助手发送的数据,并执行相应的动作。
已尝试解决的方法及结果
1.我用逻辑分析仪抓了TX和RX的波形,都能够正常解析出发送以及回传的数据。
2.我用示波器抓取了继电器闭合瞬间,MCU供电的3.3V波形
#DIY设计#
开源硬件平台
全部评论 默认 最新
保罗哥
2025-10-21 14:41:19 来自广西
VCC_12V的电压是通过整流桥输出直接给LDO供电吗?如果12V电压不稳定,继电器线圈通电之后可能会产生振荡,从而影响了3.3V电压,导致单片机供电不稳定,影响通信。
脱发秘籍搬运工 作者
2025-10-21 16:17:32 来自四川
12V是通过TAS30-12-W电源模块220V转的12V
保罗哥
2025-10-22 08:46:34 来自广西
继电器线圈两端增加一个续流二极管试试?或者不用220V供电,把12V用直流稳压源来供电试试?
脱发秘籍搬运工 作者
2025-10-27 16:15:49 来自四川
续流二极管试过了,没用。老哥你帮我分析一下。后来我又把12V转3.3V的U3去掉了,CH340E也去掉了。整个MCU供电采用的是外接的USB转串口模块5V转3.3V,还是有这个现象
保罗哥
2025-10-28 08:47:00 来自未知
R7是多大的电阻啊?试试把GND和AGND直接短接,或者把R7换成磁珠看看
脱发秘籍搬运工 作者
2025-10-28 11:01:48 来自四川
R7是0ohm
保罗哥
2025-10-28 11:46:26 来自广西
那把R7和L1断开再试试?
没有更多啦~