详情描述
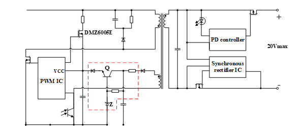
这里的三极管、功率电阻和齐纳二极管等多颗器件,会导致PCB上的热量过高且效率低下。有没有一颗器件能代替这部分,如果能行有没有推荐的型号?


 #三极管#  

已尝试解决的方法及结果
求大佬们推荐[抱拳][抱拳]
#三极管#
硬创社
全部评论 默认 最新
家里蹲优秀员工
2024-09-27 08:47:03 来自广东
没有具体参数,不好判断。看一下是不是辅助绕组电流或者电压太大了
ezcui 作者
2024-09-27 09:20:15 来自广东
好的谢谢老哥[玫瑰]
易板
2024-10-01 19:53:43 来自江苏
建议更换方案,BJT的功耗会比MOSFET的大一些,MOS可选择低导通电阻的。电阻尽量选允许的下限,二极管在满足电压电流的前提下,选择导通压降低的。
没有更多啦~