详情描述
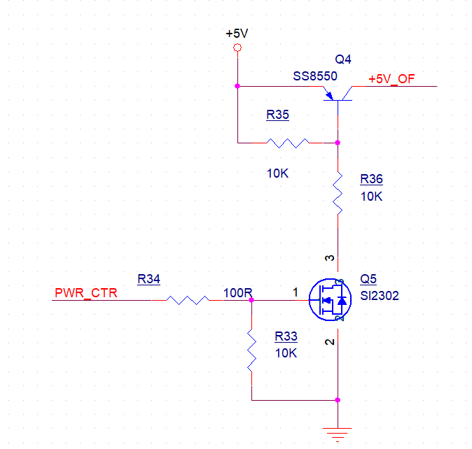
如上图所示,当PWR_CTR输出高电平,空载时,节点+5V_OF正常输出5V电压,但是当接上遥控接收器FS-IA10B时,节点+5V_OF电压立马被压低到0.3V。这是为什么啊?
已尝试解决的方法及结果
开源硬件平台
全部评论 默认 最新
icdiscovery
2025-02-10 16:26:55 来自陕西
你这个电路+5V_OF应该输出不了5V。无论PWM_CTR为高,Q4基极为2.5V,为低Q4基极为5V,正常情况SS8550均截止。更换R36为小阻值。不接负载输出应该是正常。如果拉低应该是的你的负载短路了。
Thomastrong
2025-02-07 15:52:19 来自浙江
把R36换成1K试试,如果还不行,应该是遥控接收器短路了。
秃子向前冲
2025-02-07 11:08:46 来自山东
我的帖子不见了?8550没导通。
没有更多啦~