详情描述
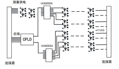
因此硬件系统可分为两大功能模块,即实现多通道导通测试的导通测试模块与实现多通道绝缘测试的绝缘电阻测试模块,这两个模块功能的实现都依赖于主控板、矩阵板和底板三部分在每个多通道导通绝缘硬件测试系统中都有1块主控板、1块底板和4块矩阵板。每块矩阵板可以输出64个点位,一个测试系统可以测试256个测试点位。为了满足更多测试点位的测试需求,本测试系统还预留了扩展口,可以通过机箱级联来满足更多测点的测试需求。在系统中,为了方便用户操作,同时考虑系统的可靠性,主控板主要包括主ARM芯片、通信模块和多通道导通绝缘测量模块。输入的12V电压在多通道导通绝缘测量模块中DC电源模块的作用下输出±15V电压为数据采集模块供电;数据采集模块主要采集被测产品的导通与绝缘数据并传送至主ARM芯片进行数据处理;网络通信模块包括PHY芯片及网口插件,主ARM芯片通过网络通信模块与上位机通信。底板由AC-DC电源模块、各连接器组成。将输入的220V交流电通过AC、DC电源模块输出3路12V电压,一路12V电压经过可调电压模块输出50-250V直流高压用于测量供电;一路给主控板供电;一路12V电压经过LDO输出5V电压,5V电压通过ASM1117输出3.3V给主控板和矩阵板供电。主控板先通过4根板选线来选通想要选通的那一块矩阵板;每块矩阵板有一片CPLD通过ULN2003来控制相应的固态继电器完成相应的动作。矩阵版中选用的CPLD芯片型号是XC95288XL,它是一款3.3VCPLD,适用于尖端通信和计算系统中的高穿孔、低压应用。它由16个54V18功能块组成,提供6400个可用门,传播延迟为6ns。CPLD中的功耗可能因系统频率、设计应用和输出负载而有很大差异。为了帮助减少功耗,XC9500XL器件中的每个宏单元可以配置为低功耗模式(从默认的高性能模式)
已尝试解决的方法及结果


嘉立创PCB


登录 或 注册 后才可以进行评论哦!
还没有评论,抢个沙发!