详情描述
请问一下大佬们,还有2旁边接的那个A是电流表吗,我的地线为什么接到3上就显示这个需要短接符?求助各位大佬,感谢。
已尝试解决的方法及结果
嘉立创EDA
全部评论 默认 最新
RHYS
2025-07-09 00:48:35 来自广东
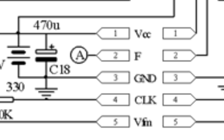
①在这里,12345是位号,表示不同的元器件。Vcc,F,GND,CLK,Vfm是网络标签。需要区分开【参考图1】。②提示合并,是因为您将12345当成了网络标签,同一个原理图图纸中,只允许相同网络连在一起。③圈A在电路中一般代表电流表,但信息过少,不确定。
牛大爷
2025-07-05 10:21:06 来自广东
同一个网络不能有2个名字,所以你2个不同网络连接在一起的话,就会变成一个网络,需要把名称统一,所以你这个3的网络就要改名GND,
熊二爱看书 作者
2025-07-05 10:51:19 来自江苏
请问一下大哥,Vcc,F,GND,CLK,Vfn都是网络的名字吗,那12345又是什么,是编号吗?
牛大爷
2025-07-06 09:43:02 来自广东
没看到你的文档,不能肯定,但是一般来说,我理解Vcc,F,GND,CLK,Vfn这些是网络名称,12345是符号的名字吧 45
牛大爷
2025-07-06 09:48:08 来自广东
刚去打开了一个文档看了一下,网络连接符名称只用一个,所以你这个图上,要么字母是网络标号,要么数字是网络标号,不是的可是只是添加的文字,没有电气意义
没有更多啦~