详情描述
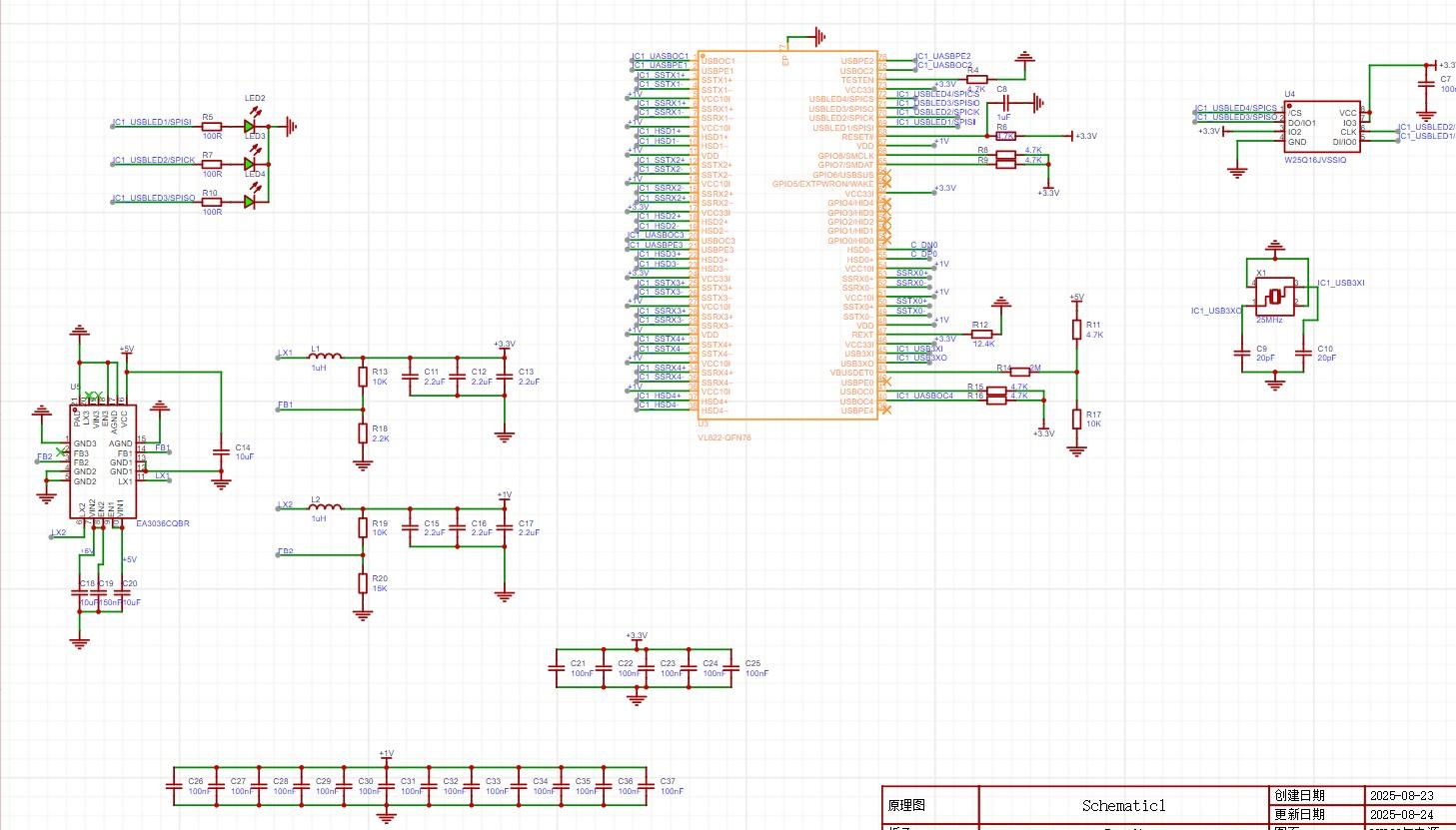
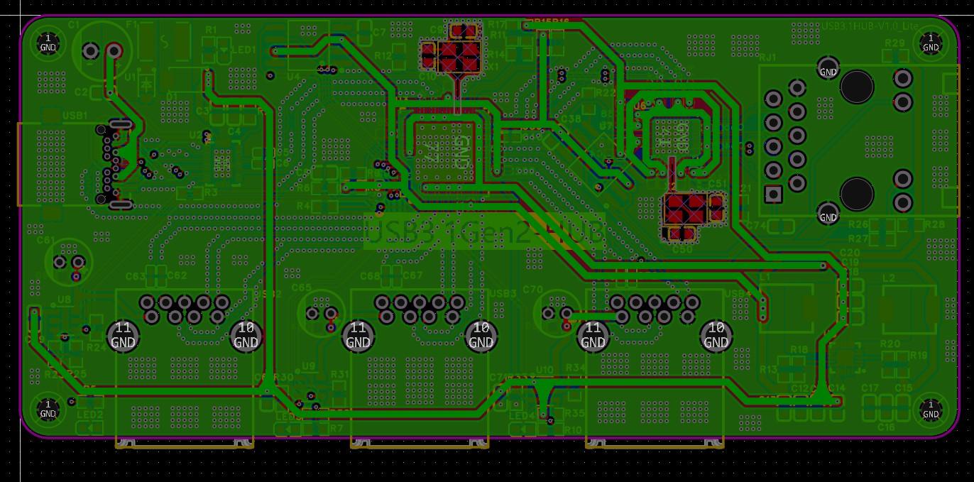
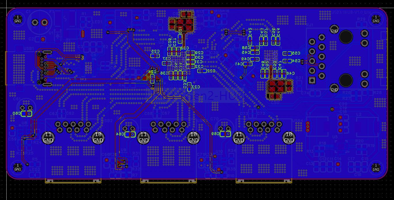
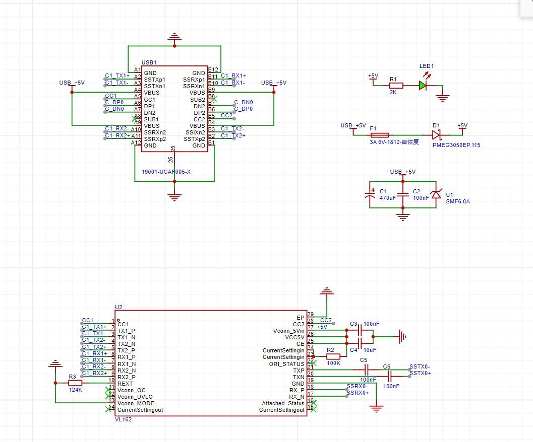
VL822使用usb3.0,芯片发热掉线,使用2.0不会,电源芯片EA3036CQBR,3.0 5G可以使用,速度正常,但是芯片发热马上掉线,新手困扰很久了,如有大佬能够解决,不胜感激,献上新手的全部积分[大哭]
已尝试解决的方法及结果
芯片都是好的,供电都有,vl822的原理图是我从我好的扩展坞复制过来的[抓狂]
开源硬件平台
全部评论 默认 最新
ss7c-0002
2025-08-30 17:57:26 来自福建
根据你的描述,VL822 在使用 USB3.0 时芯片发热并掉线,而使用 USB2.0 时正常,且芯片和供电都正常,以下是一些可能的原因及解决方法: 供电问题:VL822 需要 2 路 DC-DC(1.05V+3.3V)供电,USB3.0 设备插入时,1.05V 供电路径可能会产生较大发热,推测可能在某些场景下,1V 路径上瞬时电流超过 1A。虽然你检查了供电都有,但可能存在供电不稳定或电源芯片 EA3036CQBR 在 1.05V 输出时无法满足大电流需求的情况。你可以尝试更换 1V 路径上的 DC-DC 芯片,或者检查 1.05V 供电线路上的电容等元件是否正常,确保供电的稳定性。 线缆问题:USB-C 线缆质量不可靠可能会导致各种问题,如在 10G 带宽下出现只能读不能写、时不时挂掉的情况。虽然你使用的是 USB3.0 5G,但质量不佳的线缆可能在高速传输时无法稳定传输信号,也可能影响供电的稳定性,进而导致芯片发热掉线。建议更换高质量的 USB3.0 线缆进行测试。 散热问题:芯片发热严重可能是散热不良导致的。VL822 在 USB3.0 模式下工作时,功耗可能会增加,如果没有良好的散热措施,芯片温度会迅速升高,当达到一定温度时,可能会触发保护机制导致掉线。你可以检查芯片的散热焊盘是否正确接地,是否有足够的过孔来增强散热。此外,也可以考虑在芯片上添加散热片或改善电路板的布局,增加散热空间。 芯片本身特性:有些芯片由于工艺等原因,在 USB3.0 模式下的功耗会比 USB2.0 模式高很多,可能会导致发热较大。如果确认芯片是好的,且其他硬件方面也没有问题,那么可能是 VL822 本身的特性所致。这种情况下,可以尝试寻找是否有合适的固件更新来优化芯片的性能和功耗,或者考虑降低 USB3.0 设备的工作模式,比如从 5G 降低到 3G,看是否能改善发热掉线的问题。
没有更多啦~