详情描述
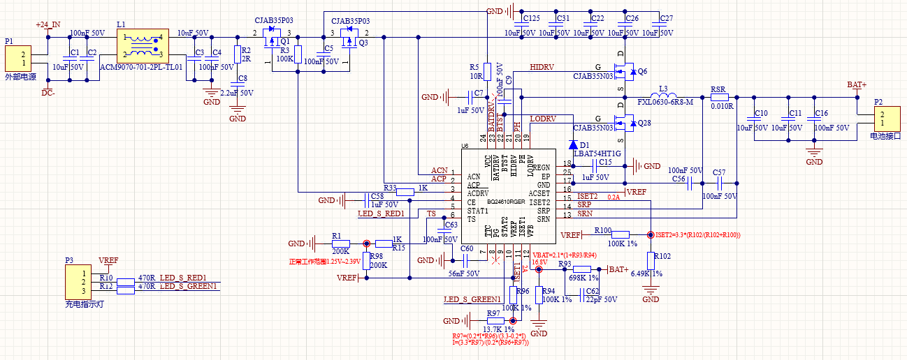
最近画了一块用BQ24610芯片给4串锂电池充电的板子,总共5块全贴片,充电电压16.75V,充电电流3A,预充电电流0.3A,无热敏电阻,无输入电流限制,充电电流采样电阻为10mΩ。 发现在电池即将充满时,大概16.2V开始,STAT1状态指示灯由常量转变为周期性闪烁,STAT2指示灯始终常灭,充电过程也在充电与停止充电之间周期性切换,用示波器测量VFB引脚电压,在2V与1.95V之间跟随充电过程周期性规律变化,开关管也跟随充电过程规律性工作与关闭,REGN电压为6V,即便如此充个1个多小时也能把电池充满,此时STAT1灭,STAT2常量。 网上搜了各种资料,并没有发现有什么可靠解决方案,手摸VFB也不会变正常,VFB在正常充电过程中电压没有波动,很平稳,而且问题只出现在电池接近充满的时候。[大哭] 有没有大佬知道怎么解决这个问题的 



已尝试解决的方法及结果
开源硬件平台

登录 或 注册 后才可以进行评论哦!
还没有评论,抢个沙发!