
朋友送我一个电动工具锂电池包。

比较遗憾的是接口不是大艺A3款。

好处是有一个DC充电接口,不必使用专用的充电器就可以充电。

额定电压是18.5V,应该是5个三元锂电池串联的。但是我实测电压大概在10V左右,看来亏电太严重,应该有电芯损坏了,正好拆解改装一下。

先拆解,里面的电路板相对而言比较小。

内部锂电池有塑料支架进行固定,然后使用镍片镍片点焊进行连接,5个18650锂电池串联。

电路板上。

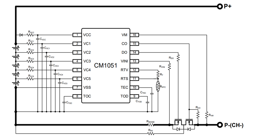
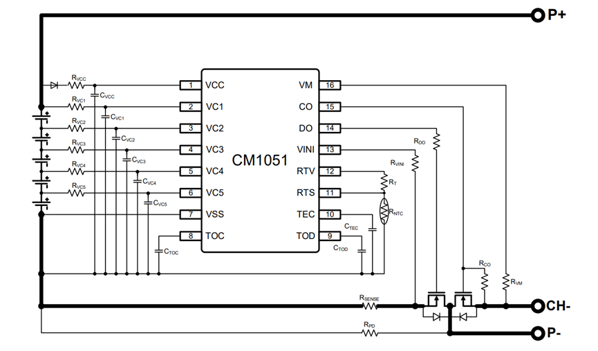
主控芯片为iCM(创芯微)的CM1051。这是一款专用于5串锂/铁电池的保护芯片。内置高精度电压检测电路和电流检测电路,可以检测各节电池的电压、充放电电流及温度信息,实现电池过充电、过放电、充电过电流、放电过电流、短路、过温度等保护功能。主要应用领域就是电动工具、扫地机器人、UPS后备电源等。

CM1051充放电回路共用时原理图。

CM1051充放电回路分开时原理图。

这就是上面原理图里的两个NMOS。型号是3080K,来自富满。这个MOS的关键参数是30V,80A,3.8mΩ,封装TO-252-2。

这是一颗PMOS,型号是9435AS,品牌不详。

电池输出弹片。

DC充电座细节。

电池包侧面的镍片点焊细节。

电池包底部视图。

18650的锂电池,容量1500mAh。

电池固定件上有牧5 5的字样。
今天的拆解到此为止,等买的锂电池到了就开始改造。


登录 或 注册 后才可以进行评论哦!
还没有评论,抢个沙发!