有粉丝寄来一个2016年的小牛驱动器。

拿到这个驱动器的第一时刻,我就被圈粉了,这驱动器,看起来做工相当牛逼。面壳是黑色ABS的,非常结实。

底壳是铝合金铸造的,带散热鳍片。

从正面看,连接电机的UVW相线和电源母线的连接器都是这种铜柱螺栓。螺栓外面还有不同的颜色用来区分。通信和控制接口是三排4.2mm间距的排针。

这个驱动器拆解还非常方便。拆掉螺丝就可以拿掉上壳,这种组装方式,对有一定改装能力的用户比较友好。

黑色的顶壳,应该是ABS注塑的。

既然外壳看完了,顺便把螺丝也看一下,四颗螺丝是从铸铝打到ABS材质的,所以是自攻丝,而另外一个是从ABS顶壳打到铸铝底壳的,所以是这种标准M3螺丝。

虽然拆装比较方便,但是完全不影响它的防水性,外壳做了防水条槽位,里面铺设了完整的硅胶防水圈。而且通过这个图,可以对比出,这个铸铝底壳有多厚。

硅胶防水圈在排针处也有,这样当上壳盖下来,然后用螺丝紧固之后,就可以防水了。

这个驱动器,电路板布局非常讲究。电源母线和电机相线连接铜柱、以及大电容、排针等大的物料几乎完全对称摆放,看着非常舒服。

电路板上的大器件上,都点了硅橡胶用来加固。由于用的是半透明的硅橡胶,所以看起来有点像胶枪点的那种,但是实际上经过了9年,摸起来还是Q弹的,确认是硅橡胶无疑。

MOS也是通过这种卡簧卡在底壳上长出的散热块上的。

把卡簧拆下来。

来个更直观的图对比一下这个底壳以及这些铜柱用料有多扎实。

MOS和后面的铸铝通过这种导热胶加固。

把电路板从底壳里拿出来。

单独称一下铸铝底壳,重量都有312g了,这比很多驱动器全套都重了。

给这个铸铝底壳来个全景图。

电路板全貌图,从这个角度可以看出,5个接线柱是通过一个黑色的塑料件固定在一起的,塑料件在电解电容处还来了一个秦王绕柱走。

接下来看看电路板上的用料。首先,12颗MOS的型号全部是ST的STP15810,这是100V、110A、3.6毫欧的N沟道MOS管,封装为TO-220。这个电压和内阻级别的MOS,全新的价格应该在3元以上。要知道现在的厂商是如何压缩成本:为了做低成本的驱动器,甚至搞出了85V、75V这种奇葩电压等级的MOS,就是为了节省几分几厘的,当然,量大了节省下来的数字也确实不可小觑。

在MOS管驱动这一块,电源和地都是通过插焊在板子上的两个厚度1.2mm的铜排来传输的。

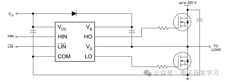
栅极驱动器用的是英飞凌的IRS2003,SOP-8封装。

板子上总共有3颗。

使用IRS2003驱动每个桥臂的驱动电路如图所示。在这个板子上,上下桥臂各有两个MOS,所以总共是12颗MOS。

运算放大器用的是TSV912IDT,来自ST的双路轨到轨运放,增益带宽积8MHz。

这个运算放大器在板子上也有三颗。

电源降压芯片,用的是宇力半导体的U3012,封装SOP-8。
U3012的输入电压竟然支持到了最高200V,在车驱上,这个很关键,如果最大输入电压太低,在下坡速降时,产生的反电动势可能会把降压芯片烧了。

主控芯片用的也是ST的料,型号是STM32F051C8T6。周围这些阻容,看起来应该是采用了低成本的RC防护电路,布局看着非常工整舒服。从这里看到丝印2016.4.11,应该是这个板子的设计日期,而不是生产日期。生产批次在板子上没有找到。看底部的网址,应该是凌博给设计的没有疑问了。

RS485收发器采用的是3PEAK的TP8485E。

两个直径2mm的康铜丝采样电阻。

接线铜柱和旁边的电解电容,电解电容是80V390uF,板子上总共有4颗这样的电容。

这个地方是电源负极处,所以用了很多过孔,而且过孔比较大,都灌锡了,这样可以进一步增加导流能力。

在一堆电容里还藏了一个CJ78L05,来自江苏长电的5V LDO。U1302把电源输入降压到12V给栅极驱动器供电,这个CJ78L05的作用就是把12V降压到5V。

在板子上还有一个SOT223封装的1117,用来把5V降压到3.3V,给MCU供电。

电路板背面做了大面积开窗。

为了增加导流能力,还贴了三片铜片。

这是整个驱动器的全家福。

这是物料清单,总体来说,这个驱动器几乎就是不计成本的堆料,它的用料和做工已经刷新了我这边拆解过的最好的控。不过回想当年驱动器行业竞争还没这么激烈,我很好奇,如果现在买个新的小牛电动车,里面用的控会是怎么样的做工用料呢?


登录 或 注册 后才可以进行评论哦!
还没有评论,抢个沙发!