今天闲来无事,去垃圾回收站捡垃圾,看到一个呆萌呆萌的充电宝,花了三块钱从垃圾站老板手里买了过来。

这么呆萌的充电宝,前主人肯定是个萌妹子。

充电宝的一侧是Micio USB口。

另一侧是USBA输出口。

顶部有一个开关按键和四个LED指示灯小孔。

底部有参数。输出最大5V2.1A,容量是6000mAh。有FCC和CE认证。

测试了一下,还是可以用的。估计是Micro-USB口太老,或者说电池不行了,所以被放弃了。

一个角有缺口,仔细观察发现有超声波焊接的痕迹。

直接暴力拆解。

里面是两个片状锂离子聚合物软包电池。电池包还是挺规整,没有任何鼓包的迹象。

电池的尺寸是954080,意思是:9.5mm厚,40mm宽,80mm长。

电路板很小巧。上面的芯片是英集芯的IP5306,这是一颗2.1A充电2.4A放电的高集成度的移动电源SOC。这颗芯片算是整个充电宝的大脑。

IP5306支持1、2、3、4个LED指示灯、Micro-USB充电,两个TypeA口输出,一个按键。内置IC温度和输入电压只能调节充电电流。有过流、过压、短路、过温度等保护。

这颗芯片是赛芯微的XB7608,功能是锂电池二合一保护芯片。

XB7608相当于一颗芯片实现了DW01+8205这样的功能,集成度也比较高。

板子背面是两个USB连接器、按键、四颗LED指示灯,另外还有个SOT23-6的器件。

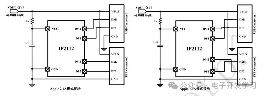
找个角度看清楚这个器件的丝印是A12X。其型号是英集芯的IP2112A,这是一颗单/双路USB端口充电协议芯片,负责USB端口的充电协议识别。

IP2112A的典型应用原理图。

电路板看完了,再看一眼端盖上的按键是怎么处理的。
以上就是整个充电宝的拆解。电路板设计很正常,没啥槽点也没啥亮点,如果非要说亮点,那就是外壳的Hello Kitty很可爱。


登录 或 注册 后才可以进行评论哦!
还没有评论,抢个沙发!