垃圾佬小马哥,不是在捡垃圾,就是在拆垃圾的路上。今天去捡了个电瓶车控制器,看着外壳相当V587。

型号是ZWK048028A,看这型号,好像是说电压48V、电流28A的意思。哦,看到下面的电压电流参数了,看来我猜得没错,不愧是我!右下角的日期是2023年11月的,拆解这么新的产品,还是很刺激的。我根据这个型号搜了一下,发现有很多车型用的都是这个控,所以不好确定这是从什么车上拆下来的。

底部是这样的。

用的是这种特殊的三角螺丝。

看到这么漂亮的控,我有点饥渴难耐,猴急猴急直接开始拆解。

底壳拆掉之后,有一整张半透明硅胶防水垫。

防水垫上还长了一些小柱子,当底壳装上去之后,底壳会顶着这些小柱子,从而让电路板被紧固。

去掉这层膜的一瞬间,我立马就舒服了。这7个220uF100V的固态电容直接让我颅内高潮了!这是我第一次看到一个产品里用这么多这么大的固态电容,刺激啊!

给这几个电容来个特写。固态电容的直径12.5mm,高度20mm。

看着是真的漂亮啊。电容根部打了很多很多硅橡胶加固。

谁能想到,一个板子能让我舒服两次呢,当去掉上面这个绿色的板子之后,看到下面超级大的金灿灿的螺栓之后,我又一次舒服了。

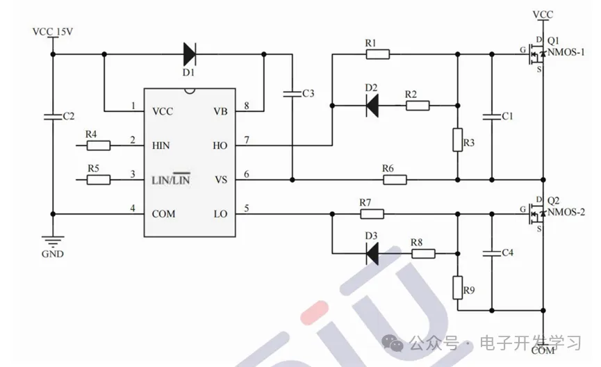
作为延迟快感型选手,先放下那个令人舒服的板子,把这个绿色的板子看过去。左上角的丝印来看是无锡晶汇的产品。板子布局比较规整,上面三个看起来比较类似的SOP-8芯片和外围电路,看着应该是半桥驱动器。三个白色硅胶帽子,本来应该是戴在黑色板子上的螺柱上的。帽子旁边是三个2.54排母,这没猜错的话,应该是和下面黑色板子通信的。接下来左边是DC-DC降压电路。右边是MCU芯片。最下面的一排当然是电控的输入输出信号连接器了。

MCU用的是灵动微电子的MM32F0144C6P,这是一个基于ARM CM0内核的32bit单片机,最高主频72MHz,工作电压范围2.0~5.5V。工作温度范围是-40℃到85℃。

三颗半桥驱动器的型号是U3216,来自宇力半导体,这个芯片最大输出电流到2.5A。

U3216驱动两颗MOS组成的桥臂的电路图。

这三颗芯片都是U3216。

MAV862,是一款运算放大器。板子上总共有两颗这个芯片,用来采集两个相线的电流。第三个相线是不需要采样的,根据三路相线电流和为零可以计算。

电源降压部分,采用了宇力半导体的U3018,这个芯片的输入电压范围是18-180V,输出电压14.3V,一部分是给半桥驱动器供电,另一部分经过LDO降压之后给MCU和运放等供电。

不出所料的是,LDO用的还是78L05,封装为SOT89。

这里还有一个LM321,单路运放,具体品牌不详,这个应该是采集母线电流的。

控的输出输入信号上串接了很多电阻作为防护。

板子背面,通信引脚的信号名称标注得很详细。板子的生产批次是23年第26周。

接下来继续看这个漂亮的板子,我感觉看这个电路板的时候我得掐着人中看,避免太舒服晕过去。

五个铜螺柱底下各有个巨大的铜座,这个铜座只管看起来和一个冈本儿尺寸差不多。这五个铜螺柱分别是电池输入正负极和UVW三个相线的连接器。

来个特写。

MOS用的是士兰微的SVG104R5NS,这个MOS的封装是TO263-2L。耐压100V,持续电流120A,脉冲电流高达480A。等一下,看到这里我就迷惑了,单个MOS的持续电流是120A,这个板子上是2个MOS并联,那为啥外壳上的电流限制只有28A。其实拆开第一眼看到这些MOS我就产生了这个疑问。

板子上有一个3920封装的1毫欧1%精度的合金采样电阻,功率是5W。粗略估计这个电阻的价格应该在1元左右。这个电阻在电源母线上,它对应的运放就是绿色板子上的LM321。

这是母线上的汇流铜排,直接SMT在板子上,有一点小缺憾就是这个铜排并不是一整根,而是由两根接在一起,中间有一条缝。

板子的生产日期是23年16周。另外,这个板子看到这里你应该会比较迷惑,为啥这么大的MOS管,没有做散热?那是因为这个板子并不是普通的FR-4板材,而是铝基板,不得不说,这真是一个很疯狂的设计,当然,如果能做成铜基板那就真的屌爆了!

由于底壳整个是铝合金压铸的,所以铝基板贴在铝合金底壳上,中间用导热硅胶或导热胶填缝,散热效果还是很棒的。

整体来说,这个控是我拆解过的设计最好的控,虽然它使用的器件并不是业界最好的,但是器件的性能都是完全够用的。我说它设计好,是指整个控的硬件、结构、散热、安装等整体规划设计比较好。控制器的作用是控制电机转动,电机驱动部分是功率电路,而控制相关的电路只是信号,不需要大电流,所以把功率电路和控制电路分成两个板子是比较合理的。这样,针对功率部分,可以做成单面板,为了散热和导流性能更好,可以做成铝基板、铜基板等等,铜皮厚度可以做到2oz、4oz甚至更高。而走线相对密集的控制板,在不涉及到功率布线的情况下,也可以使用两层板来布得比较漂亮。这样还增加了可维修性,哪个板子坏了就换哪个,从这个控控制器拆解起来非常方便也可以看出这个设计理念(虽然实际情况中,如果MOS炸了,距离它很近的控制板也不一定能幸免于难)。

当然,这样做在获得了极佳的性能的同时,成本也会比较高。但是看看那些中规中矩的控,功率走线和信号走线都在一个板子上,还要加一堆悬空的铜条来汇流、其成本不一定很低,而且毫无维修性。不过话又说回来,便宜的控坏了直接换控就完事了,根本没必要维修。

其实一直以来有一件事比较遗憾。我每次拆解都非常认真的对待,斥资两万买了相机和微距镜头以及灯光。这样,用相机搭配微距镜头手动对焦力争拍到最高清的细节,图片输出之后每张图的体积都在20MB以上。

但是可悲的是,在这里发不了这么高清的图,实际上你们看到的图,已经经过压缩,损失了很多细节,但是也没办法把更高清的图发出来,太遗憾了。不过还是欢迎关注电子开发学习,我会持续输出高质量内容。



登录 或 注册 后才可以进行评论哦!
还没有评论,抢个沙发!