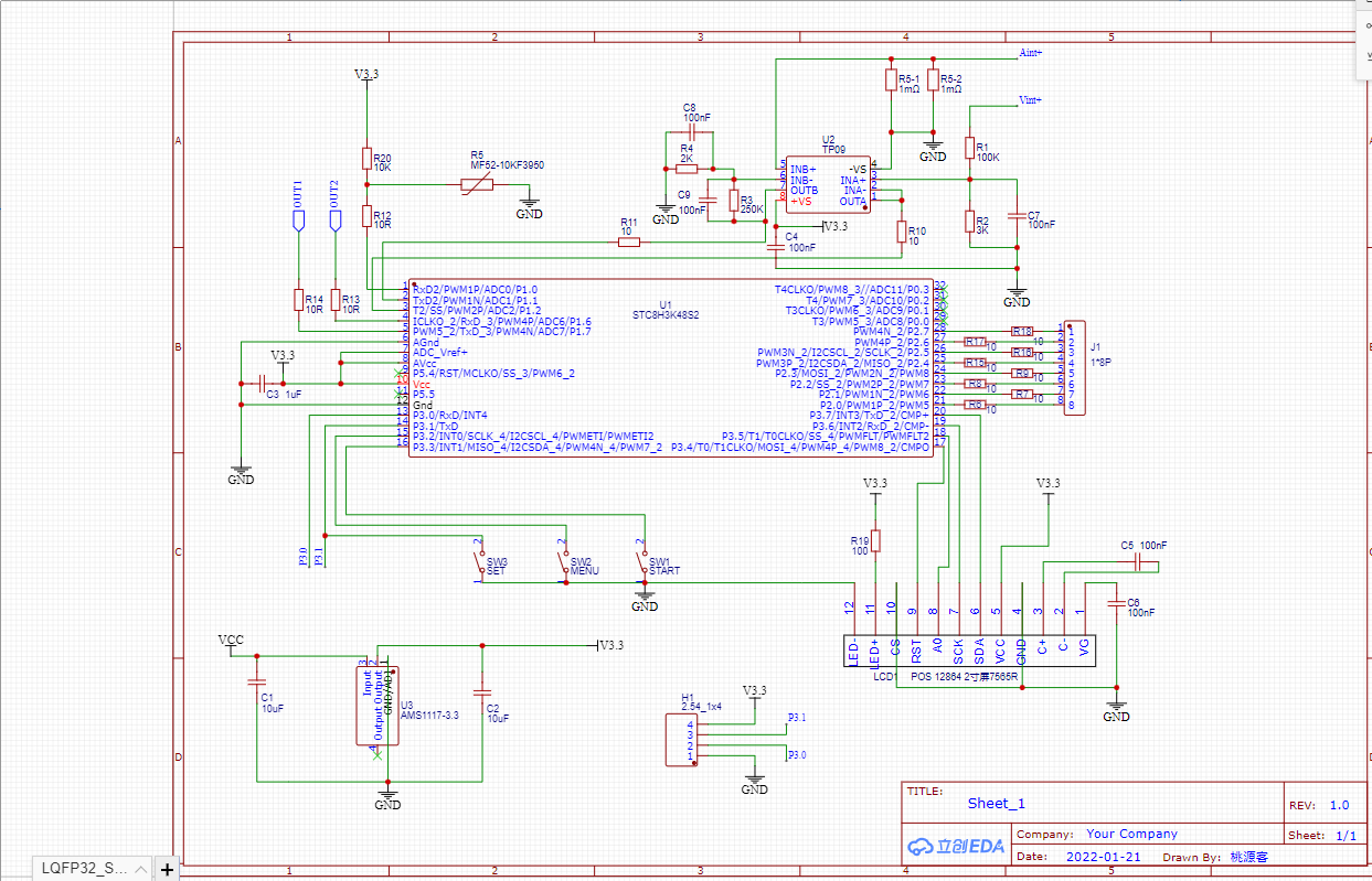
心血来潮、仿制了下图这个电压电流表、焊接完成后急急忙忙下载好了程序然后上电校准、可是怎么校准都不行精度很差、不理想、寻求帮助改进能提高电流精度、谢谢大家!感谢作者开源~作者制作链接https://oshwhub.com/13977300488/stc8h3k32s2-dian-ya-dian-liu-biao_copy
嘉立创EDA
心血来潮、仿制了下图这个电压电流表、焊接完成后急急忙忙下载好了程序然后上电校准、可是怎么校准都不行精度很差、不理想、寻求帮助改进能提高电流精度、谢谢大家!感谢作者开源~作者制作链接https://oshwhub.com/13977300488/stc8h3k32s2-dian-ya-dian-liu-biao_copy
登录 或 注册 后才可以进行评论哦!
还没有评论,抢个沙发!