嘉立创PCB
PCB、FPC制造服务
嘉立创SMT
一站式PCBA服务平台
嘉立创激光钢网治具
激光钢网&治具制造
立创商城
一站式元器件采购自营商城
嘉立创FA
机械/电气零部件一站式商城
嘉立创3D打印
树脂、尼龙、金属3D打印服务
嘉立创CNC机械智造
机加件一件起订,3天交货
嘉立创EDA
国产PCB设计工具
嘉立创CAM
国产线路板CAM软件
Forface 3D
SaaS化3D技术服务平台
硬创社
好玩的硬件交流社区
供应商合作
一站式阳光采购平台
元器件符号错误
置顶
精
活动
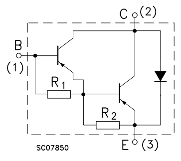
型号:BD680 供应商编号:C2935175,应该是PNP型你们画成NPN型了
登录 或 注册 后才可以进行评论哦!
还没有评论,抢个沙发!
登录 或 注册 后才可以进行评论哦!
还没有评论,抢个沙发!