嘉立创PCB
PCB、FPC制造服务
嘉立创SMT
一站式PCBA服务平台
嘉立创激光钢网治具
激光钢网&治具制造
立创商城
一站式元器件采购自营商城
嘉立创FA
机械/电气零部件一站式商城
嘉立创3D打印
树脂、尼龙、金属3D打印服务
嘉立创CNC机械智造
机加件一件起订,3天交货
嘉立创EDA
国产PCB设计工具
嘉立创CAM
国产线路板CAM软件
Forface 3D
SaaS化3D技术服务平台
硬创社
好玩的硬件交流社区
供应商合作
一站式阳光采购平台
原理图设计问题
置顶
精
活动
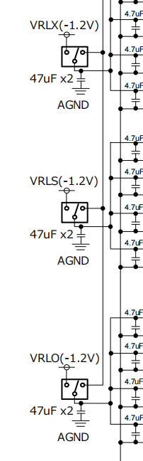
想问问大家这个电压接着开关 是想代表什么意思呢
还有这个原理图的三角形代表什么意思呢
登录 或 注册 后才可以进行评论哦!
还没有评论,抢个沙发!
登录 或 注册 后才可以进行评论哦!
还没有评论,抢个沙发!