作为当下热门的第三代半导体技术,GaN在数据中心、光伏、储能、电动汽车等市场都有着广阔的应用场景。和传统的Si器件相比,GaN具有更高的开关频率与更小的开关损耗,但对驱动IC与驱动电路设计也提出了更高的要求。

按照栅极特性差异,GaN分为常开的耗尽型(D-mode)和常关的增强型(E-mode)。按照应用场景差异,GaN需要隔离或非隔离、低边或自举、零伏或负压关断等多种驱动方式。针对不同类型的GaN应用场景和驱动电路设计痛点,纳芯微推出了一系列驱动IC解决方案,助力于充分发挥GaN器件的性能优势。

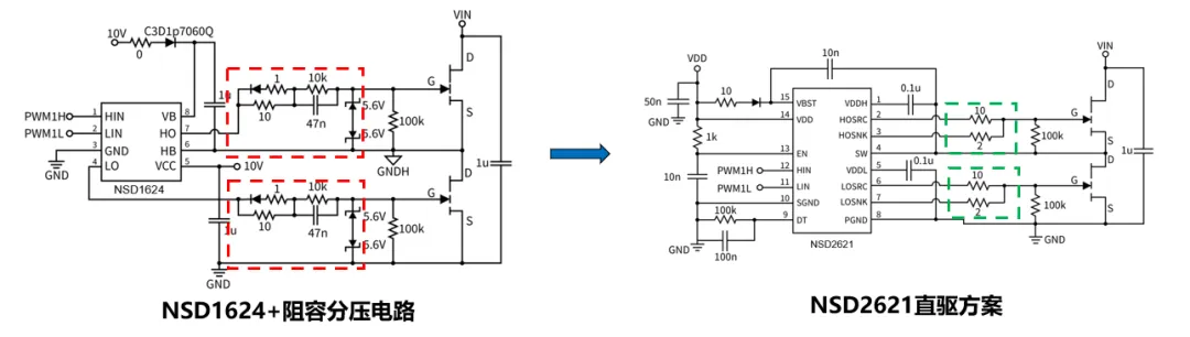
如针对电压型E-mode GaN驱动,纳芯微推出了直驱芯片方案NSD2621,其输出集成LDO可直接驱动GaN,相比传统阻容分压电路设计更简单,且不受工况限制!
如果你想了解更多GaN驱动设计痛点解决方案,便于帮助你更好选购产品。欢迎预约12月4日19:30开始的立创商城视频号直播,纳芯微嘉宾将在线详细讲解!

图:扫码预约直播
01、直播主题
GaN驱动设计痛点与纳芯微解决方案
02、直播时间
12月4日19:30-20:30
03、直播嘉宾
纳芯微技术市场工程师刘建栋
04、直播福利
微信红包2000元、笔记本套装、50采购晶10份


登录 或 注册 后才可以进行评论哦!
还没有评论,抢个沙发!