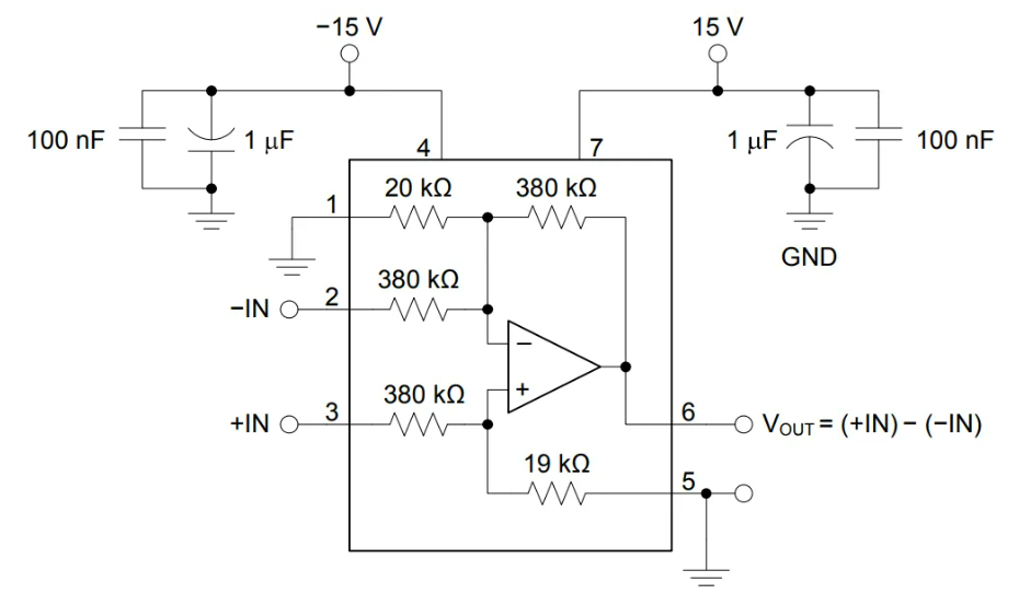
今天在论坛看到一个INA149的内部电路图,并问这个输出电压为什么是这个公式,所以将推导过程分享与诸位。
运算放大器的图如下所示,输出电压公式为:
Vout=(+IN)- (-IN)

推导过程其实也很简单,可以按照虚短虚断然后根据基尔霍夫电流电压定理进行推导,同时也可以按照叠加定理进行推导。我就按照叠加定理进行推导了,因为叠加定理相对比较容易简单理解一些。
按照叠加定理,不用的信号源就接到GND即可。所以说,第一步,先将-IN接到GND,为了方便书写公式,将+IN改为Vinp计算Vout,得到公式如下:

第二步,先将+IN接到GND,为了方便书写公式,将-IN改为Vinn计算Vout,得到公式如下。
注:由于同相端接地,反相端虚地,所以说20kΩ上没电流,计算的时候不需要考虑20kΩ:

第三步,将第一步的Vout和第二步得到的Vout相加,得到最终的输出为:
Vout=(+IN)-(-IN)
如果你看懂了,麻烦给个赞。
最后是群友的仿真结果,可以看到输出与公式对应的上(这种电路主要应用于高共模电压差分输入的情况。还是很好的一个思路,下图仿真并没有体现出高共模电压的优势):
#嘉立创18周年庆,赢金豆兑壕礼##嘉立创PCB##DIY设计##畅聊专区#


登录 或 注册 后才可以进行评论哦!
还没有评论,抢个沙发!