PY32F002B 系列单片机采用高性能的 32 位 ARM® Cortex®-M0+内核,宽电压工作范围的 MCU。嵌入了24Kbytes Flash 和 3Kbytes SRAM 存储器,最高工作频率 24MHz。有TSSOP20, QFN20, SOP16, SOP14,MSOP10多种不同封装类型多款产品。
PY32F002B 系列微控制器的工作温度范围为-40°C ~ 85°C,工作电压范围为1.7V ~ 5.5V。PY32F002B还提供sleep/stop 低功耗工作模式,可以满足不同的低功耗应用。

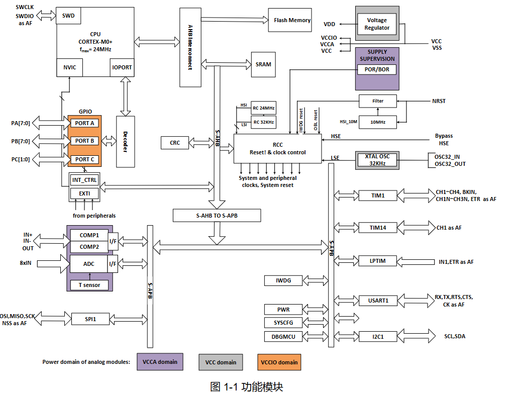
PY32F002B单片机特性:
内核 32 位ARM Cortex –M0+
存储器 24Kbytes flash 存储器 3Kbytes SRAM
系统 支持HSI,LSI,LSE,时钟最高可达24MHz 宽工作电压1.7V~5.5V 工作温度范围-40℃~85℃
外设 最大可达18个GPIO
最大可达18个GPIO
1*SPI,1*USART,1*16bit GPTimer,RTC
1*ADTimer(BLDC/PMSM)
1*LPTimer,支持从 stop 模式唤醒
1 个 SysTick timer
1*12bit ADC,2*COMP
唯一UID
封装
TSSOP20, QFN20, SOP16, SOP14,MSOP10

登录 或 注册 后才可以进行评论哦!
还没有评论,抢个沙发!