ESD(静电放电)对于半导体器件来说危害极大,ESD的电压远高于半导体结的击穿电压,因此硬件工程师在应用芯片进行电路设计时需要关注芯片的ESD保护电路。
通常,所有信号引脚,无论是信号输入引脚还是信号输出引脚,都需要考虑ESD保护,以防止静电放电事件期间发生的过电压。一般这种ESD保护是通过在信号输入引脚和信号输出引脚上添加ESD保护二极管来实现的。比如对于输入引脚,IO口一般会有钳位二极管,这些二极管从信号输入引脚连接到正电源电压引脚,并从信号输入引脚连接到负电源电压引脚:

像MCU芯片有几十个甚至数百个引脚。一般来说封装上的每个信号引脚通常在MCU芯片中内置有ESD钳位二极管,需要注意的是这是常规做法,有些芯片厂商为了节省成本,可能没有内置ESD钳位二极管,这样就会导致芯片的ESD防护能力大大降低,因此我们在进行芯片选型的时候,务必要和厂家确认芯片内部到底有没有ESD钳位二极管,少了ESD钳位二极管能节省厂家不少的成本,所以MCU芯片选型可别只图便宜。
注意事项
1.注入电流问题
以输入引脚为例,有时候输入引脚的电压可能会高于芯片供电的电源电压,此时就会导致持续有电流注入芯片的IO口,这个注入电流不能过大,一般芯片规格书中会有说明,一般建议单个IO的最大连续注入电流不能超过2.5mA,所有IO的最大连续注入电流总和不能超过25mA,大家以规格书为准。


2.ESD保护能力问题
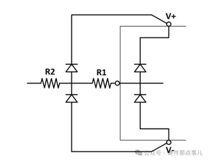
芯片内部集成的双二极管其ESD防护等级是有限的,如果我们需要更高的ESD防护等级,有时候就需要采用外部二极管和电阻来实现。

当输入信号电压超过芯片VDD电压导致芯片内部ESD二极管正向偏置,电流就会通过ESD二极管流入VDD电源,并会在电阻R1上产生压降,那么外部二极管的阳极上的电压就会比内部ESD二极管阳极上的电压更高,从而外部二极管会导通并承载大部分电流。电阻R2的选型可以基于实际的输入电压的峰值来选择,R2电阻主要是限制流经外部二极管的电流。
如果信号是高频信号,那么外部二极管应选择具有低寄生电容的型号,一般而言,二极管通流能力越强,封装越大,其寄生电容也越大,所以二极管的过流能力并不是越大越好,还是要按需选择。

登录 或 注册 后才可以进行评论哦!
还没有评论,抢个沙发!