齐纳二极管也叫稳压二极管,算是一种应用比较多的超低成本稳压电路了。齐纳二极管设计用于在反向击穿区域中工作,简单来说就是当齐纳二极管反向偏置时,随着反向电压的逐步增加,反向电流突然增加的点对应的反向电压就是齐纳电压,齐纳二极管的稳压效果就是利用了二极管的雪崩效应。

既然利用了雪崩效应,就需要对雪崩加以限制,不可控的雪崩导致的后果就是稳压管烧坏,所以齐纳二极管需要配合串联电阻限制流经它的电流,这个怎么理解呢?可以从两个角度来理解,首先比如你的电源是12V,稳压管是5V,如果将稳压管直接并联在12V电源两端,那12V电源不就没了?另外一个角度是12V电源是有内阻的,这个内阻一般很小,如果将稳压管直接并联在12V电源两端,那么这个内阻上的压降=12V-5V=7V,如果12V电源内阻是100mΩ,那么回路中的电流=7V/100mΩ=70A,一般的稳压二极管可顶不住这么大的电流,妥妥的会被烧坏啊。

大家一般见到的串联电阻计算方法经常没有从worse case的角度去计算,比如有些教程中采用R=(Vin–Vz)/Iz,这里的Iz是不明确的,有些常常只是计算了电阻的典型阻值,这样是不严谨的,在一些极端条件下选用的电阻阻值可能是无法有效限流的,因此产品批量后问题就暴露了。
限流电阻计算方法
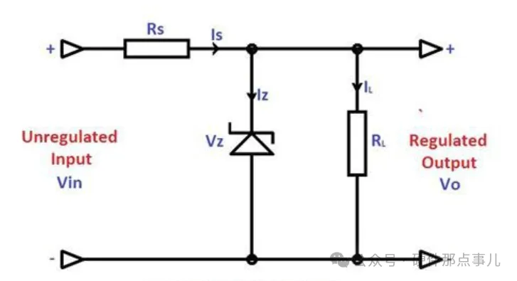
以下面的电路图为例,展示一下详细的计算过程:

1.首先我们的计算目标是得到RS,Rs不能太大,否则会导致Iz太小,从而稳压二极管的电流太小,就没办法稳压了,基于此Rs的计算公式如下:
Rs=(Vin-Vz)/(Iz+IL)
那么如何计算Rs呢?换句话说就是什么时候分到Iz的电流最小呢?通过分析上面的公式,Vin-Vz越小,Is也就越小,从而Iz也越小。Rs上的电流Is=Iz+IL,这意味着对于一个确定的电路来说,IL越大,Iz就越小,所以IL_max对应着Iz_min。同时进而可以得到:
Rs_min=(Vin_min-Vz_max)/(Iz_min+IL_max)
其中Vin_min表示电源电压的最小值,Vz_max表示稳压二极管稳压值的最大值(规格书中有此参数),IL_max表示负载电流的最大值,Iz_min表示稳压二极管最小稳压电流。
2.得到了Rs之后,我们就能计算稳压二极管的最大功耗Pz_max:
Pz_max=Iz_max*Vz_max
Vz_max可以在规格书中查到,Iz_max则需要计算得到:
Iz_max=(Vin_max-Vz_min)/Rs-IL_min
总结
通过以上计算一方面我们评估了Rs是否会导致稳压管的电流Iz过小,从而无法稳压,另一方面又验证了当前的Rs选型是否会导致稳压二极管电流IZ(max)过大,进而导致PZ(max)超过稳压管额定功耗烧坏。

登录 或 注册 后才可以进行评论哦!
还没有评论,抢个沙发!