前几天去垃圾站捡漏,居然看到一个T12焊台。可惜的是只剩下控制器了,没找到烙铁手柄。

这种外壳应该是做工具类电子产品成本比较低的方案。上下盖合并之后,两头两个铝合金面板用螺丝固定即可。可以把连接器、屏幕等放在两头。

比如这个焊台正面是烙铁头引出线连接器、温度显示数码管、温度调节旋钮、指示灯等等。

背面写着英华,中间是品字电源口、保险丝、船型带灯开关一体的。

开拆。上盖用双面胶粘了一片白色的麦拉片起绝缘作用。

这是前面板部分。似乎这个数码管显示单元是用烙铁烫塑料的方式给固定住的。

翻过来一看果然是这样的,数码管上面和下面都有烫过的痕迹。

调节温度的电位器、LED指示灯都焊接在蓝色的小板子上。

把这些板子都从外壳上拆下来,可以看到其拓扑。电源板为这个温度调节子板提供电源。在这个问题调节子板上,引出两根线连接到插烙铁手柄的连接器上。又从这个板子上引出了三个线连接到了数码管显示板上。

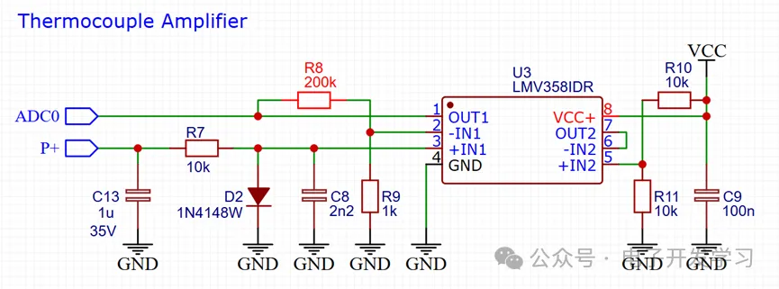
所以整个焊台的温度控制板就是这个板子。左边的两根红线,上面的是电源输入,下面的是烙铁手柄供电输出,这两根线中间有一个IR的丝印P805H的器件,很显然这个是控制加热通断的PMOS,他的5678引脚连接电源输入。123脚连接到烙铁手柄供电输出,4脚作为栅极,由控制系统控制。这个焊台核心的控制就是这个LMV3581双运放。我在立创商城找了一个T12焊台开源项目,原理图可以参考:

上面这个开源项目里用到了一个MCU,所以左边的ADC0来自于MCU。

这是PMOS控制电路。在这里是由MCU的D9控制的。但是在我拆解的这个板子上没有MCU参与,这个控制信号最终来自运放输出。

这是板子另一面的电路。这里主要是采集烙铁头的温度,最终和设定温度进行比较从而控制温度用的。

电位器总共就三个线,从上往下分别是地、分压输出、电源,而这三个信号上引出了三个线到显示板。

38数码管。

因此也说明,这个数码管显示板,是一个完整的电压表头,只要提供电源,再给一个模拟信号,它就可以显示这个模拟电压。这说明它显示的实际上是设定温度,而不是实际烙铁头的温度。

T12烙铁头是怎么测温的呢?它只有两根线,但是通过这两根线既可以进行加热,也可以进行测温,当然,二者不能同时进行,也就是说加热的时候不测温,测温的时候不加热,二者分时进行即可。

这是焊台的电源板。其作用是把220V交流市电通过AC-DC变换,降压到24V直流为烙铁供电。

它居然在电源输入的位置放了一个快速连接的端子。但是电源输入线有没有通过这个端子连接,而是直接焊接在背面的。

没想明白为啥要浪费一个端子。

降压管。

AC-DC芯片。

隔离光耦。

保险丝、X2安规电容,共模滤波电感、整流桥、NTC热敏电阻、电解电容等等。

变压器。

24V输出端。

这里使用了一颗1对共阴极的肖特基二极管,型号是MBR20200CT。

输出电容是两颗35V1000uF的电解电容。
以上就是整个T12焊台的拆解。其结构简单实用,外壳采用低成本方案,两端铝合金面板固定功能模块。焊台核心为温度控制板,使用LMV3581运放和PMOS管控制加热,数码管显示设定温度(非实时温度),电源板将220V交流转为24V直流供电。如果这款焊台能实时显示实际温度,将会是一个更好的产品。


登录 或 注册 后才可以进行评论哦!
还没有评论,抢个沙发!