在使用LED驱动控制电路时,我们有时会遇到干扰影响LED显示的情况,为了提高LED驱动控制电路抗干扰能力,提高系统的稳定性,我们从软件及硬件两方面提出几点优化措施:
>>软件:
1. 定时刷新初始化设置及显示数据
客户样机的电源线、通讯线上可能会引入电磁干扰,导致电路异常复位或显示错乱,针对此类情况,可通过软件上加入定时刷新初始化设置和显示数据来减少显示处于异常状态的时间,使其能够迅速恢复正常显示。定时刷新的速率可根据客户MCU软件资源进行调整,通常建议每隔数十ms到数百ms进行一次刷新。
以AiP1628为例,建议每次刷新,将下图所示的所有指令全部写入。

2. 通信频率
当显示驱动IC工作在强电磁干扰环境下时,建议适当降低通信频率,以减少干扰带来的影响。
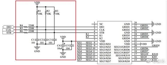
>>硬件:
1. 电源
在LED驱动IC的电源端口加滤波电容,可有效增强IC的抗干扰能力,避免IC异常复位。滤波电容需尽可能靠近IC电源端口。通常建议增加104电容和电解电容进行去耦,电解电容容值可根据客户实际情况调节。当整机干扰较大时,也可考虑在IC电源端口串联Ω级电阻来对电源干扰进行衰减,但此电阻不宜过大,否则会导致电源大幅波动。
2. 通信端口
在很多时候显示问题是由于通信干扰引起,为了减少干扰的影响,可以在靠近LED驱动IC通信端口位置增加101对地电容及10K上拉电阻,在LED驱动IC通信端口串联220Ω电阻。以上措施可有效减小干扰对通信的影响,电容及电阻可根据客户实际情况进行调节。
3. 布线
1) 电流环路面积尽可能小,通信线尽量紧贴地线排布;
2) 在条件允许的范围下,尽可能加宽地线、电源线的宽度;良好的PCB布局可以有效提高系统抗干扰能力。
——转载自 晶拓 新浪微博
#LED驱动IC#

登录 或 注册 后才可以进行评论哦!
还没有评论,抢个沙发!