有一位关注我的读者朋友,说自己有一个音响,感觉做工还不错,寄来给我拆解。

拿到之后大概观察一番,上面的面板上有6个小孔,应该是6麦克风阵列的拾音孔,难道一个音响也要定位声源吗?先克制一下好奇心继续看,面板下面有一圈白色的塑料,应该是灯带。上半身是塑料的,下半身是布艺的。底部有一个开机按键。开机按键左边的棱上有一个凸起,上面有一个Type-C接口。

我这个人有个优点,见缝就想插针。所以赶紧拿出我的硅胶双头Type-C线,一头插进音响,另一头插在充电头上。

亮了,上面的灯带亮了,另外现在才发现,面板上还有两个触摸按键,一个是麦克风、一个是播放暂停。
想体验一下音质,就去找了一下语音唤醒方式,结果在闲鱼看到有个卖的,顺着找到了购买链接快照,发现这玩意居然要卖1858,我看了有点发烧啊。

算了,这种价位的想必音质也还行吧,不用体验了,直接开拆吧。

底部的铭牌,型号是BLCSSEN700,还内置2500mAh的2S锂电。一圈看下来,发现没有地方可以拆,而底部这个材质是软软的硅胶的,应该是从这儿拆。尝试撕了一下,凭借丰富的经验顺利撕开了。

这时候就可以看到藏在硅胶底座下面的螺丝孔了,另外,可以看到底部还有一个Micro USB口,暂时不知道是做什么的。还有一个透明开窗,盖了一块透明的亚克力小板,这一块的功能是什么呢,是内部有检测环境光强度的传感器吗?

继续拆解,把三个螺丝拿掉之后,就可以把这个布艺套筒整个拿下来了。

内部做工好像确实不错,恍惚间我感觉这不是个音响,而是个什么头。

打个光看看,可以发现有两个喇叭。

先把顶层的铝合金保护罩拆掉。

然后看到板子上面的核心板居然既不是横平竖直,也不是45°放置,作为一个重度强迫症患者,即便是忧伤时怕眼泪掉落,也要45°抬头仰望天空,看到这个核心板的角度是真难受。

解除难受的唯一办法就是赶紧把这个核心板拔下来。然后找个合适的角度给拍个照,看看器件丝印。

可以看到主控是联发科的MT8516处理器。这款处理器内核是Cortex-A35,主要应用场景就是智能语音助手类的设备。不过这个芯片比较老了,2017年发布的,掐指一算已经17年了。

板子背面有个QFN-32的器件,丝印是U29M 2156,根据丝印没搜到具体型号,但是看周围的四个电感以及一圈电容,可以确定这是一个PMIC,MT8516的电源管理器件。
这个核心板和底板的连接方式居然是双排插针,现在的核心板大多用的是BTB或者邮票孔或者LGA的方式,当然,排针这种确实成本低好多啊,而且维修更换最简单。
接下来看看底板。

看到底板上 Micro USB 的走线,走线到了连接核心板的双排排母上了,基本可以确定这个藏起来的 Micro USB 接口是用来给处理器升级固件用的。
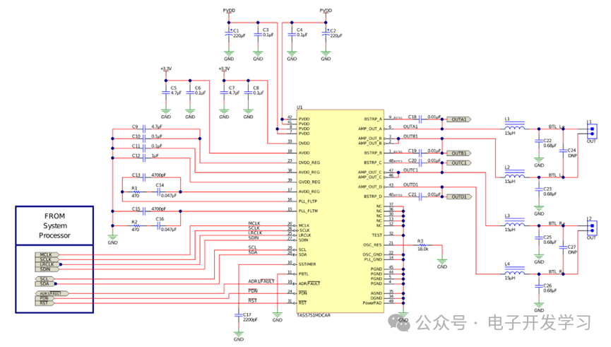
底板上最大的器件,封装HTSSOP-48-EP,是TI的音频功放TAS5751M。看看手册里的应用电路,驱动双喇叭立体声输出的电路。

驱动单喇叭的单声道电路。

我们没有看到音频功放芯片的滤波电感,猜测在板子后面,翻面果然看到四个大电感。


TAS5751M芯片肚子底下有个大的散热焊盘,可以看到板子上打了很多过孔并在背面做了开窗处理,用来散热。另外,这个板子不是沉金工艺,是OSP工艺。
拆下来的两个喇叭:

下面这个喇叭打光可以看到里面的绕线非常整齐。

整个腔体就是个声腔,两侧有共振膜。

从正面看共振膜。

然后从顶部掏出了一个2S锂离子电池,容量是2500mAh。

到这里还没有完,再往下看到有四个螺丝。

拆掉螺丝顶部的面板就掉下来了。

可以看到面板下面这个板子也不是很简单,周围一圈12个侧贴的RGB LED灯用来点亮前文提到的灯带,所以这个灯外面一圈加了白色的丝印层。中间的排线连接到了顶部的触摸按键面板。
看这个板子的背面,可以看到贴了一层硅胶膜,上面有六个麦克风拾音孔。

这层硅胶和板子贴的太结实了,我轻轻撕开一个,看到下面是一个麦克风芯片,然后芯片上有贴一个类似防尘布的东西。硅胶膜上有开对应尺寸的沉孔。

接下来看看全家福,一个音响居然用到了这么多配件。

去之前的商品快照看了一下,这个支持Linux操作系统,低音25W+高音20W。支持蓝牙播放,可以当作蓝牙网关来操作博世家的一些家电。详情页还写了什么球顶丝膜高音单元、25芯音圈低音单元,钕铁硼强磁喇叭、CONEX弹波抗疲劳设计、对装双无源辐射器什么的一堆词汇。这些专业名词我不是玩音响的也不太懂,我就是觉得,可以重新给做一个板子,然后把这优秀的音腔设计用起来,做一个可玩性比较强的喇叭。


登录 或 注册 后才可以进行评论哦!
还没有评论,抢个沙发!