LED 恒流驱动芯片 H7304B
特点
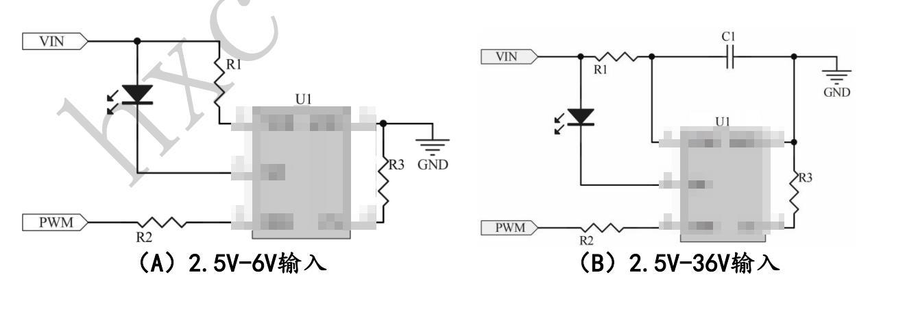
精简设计,应用灵活:只需一个外部电阻(RSET)即可设定并调节输出恒流电流,构成完整驱动电路。通过改变外接电阻 RSET 的值,输出电流可在 16mA 至 1300mA 的宽广范围内连续调节。支持 2.5V 至 36V 的宽输入电压,兼容单节 / 多节锂电池、12V/24V 适配器以及其他中低压直流电源系统。
高精度恒流性能:采用特殊控制算法,全范围内恒流精度达到≤±0.035。芯片内部集成耐压 40V 的功率 MOSFET,简化设计并提高可靠性。
PWM 调光功能:支持通过 DIM 引脚输入 PWM 信号进行无级调光,调光频率可达 25kHz,调光分辨率可达 1000:1,可实现平滑的 65536 级辉度调节。
高效能与低功耗:典型静态电流为 100μA,显著降低系统待机功耗。芯片内部集成稳压电路,为自身提供稳定工作电压。
可靠保护机制:内置过热保护(TSD),当芯片结温超过阈值时,自动触发保护机制,降低或关断输出电流。
紧凑封装:采用 SOT89-5 小型化封装,节省 PCB 空间。
H7304B 是一款高精度线性恒流 LED 驱动芯片。其典型应用场景如下:
便携与家用照明:可用于 LED 手电筒、LED 台灯、阅读灯、露营灯、应急灯等设备。例如在 LED 手电筒中,利用其宽电压输入和高精度恒流特性,能确保在不同电池电量下,LED 灯都能稳定发光,且通过 PWM 调光功能可实现亮度调节。
工业与特种照明:适用于 LED 矿灯、工作灯等。在矿井等恶劣环境中,矿灯需要稳定可靠的光源,H7304B 的过热保护等机制可保证其在高温等复杂工况下正常工作,提供持续稳定的照明。
指示与装饰照明:可应用于 LED 指示灯(如设备状态指示灯、背光等)、智能球泡灯、景观亮化照明(如灯带、轮廓灯、小型装饰灯)、节日灯饰等。如在景观灯带中,可通过其 PWM 调光功能实现丰富的灯光效果,营造出不同的氛围。
汽车照明:可用于车内 LED 照明,如氛围灯、阅读灯、后备箱灯、低位照明等,也可用于部分低压车外辅助照明。例如车内氛围灯,利用其高精度恒流控制,可实现色彩均匀、亮度稳定的灯光效果,同时 PWM 调光功能可满足不同场景下对氛围灯光亮度调节的需求。
高端 AI 玩具:该芯片支持 16×9 矩阵布局,每个 LED 可独立调节亮度,内置 8 帧存储空间,支持自动循环播放动画,LED 亮度还可随音频信号强度动态变化,增强交互体验,因此可用于高端 AI 玩具。

登录 或 注册 后才可以进行评论哦!
还没有评论,抢个沙发!