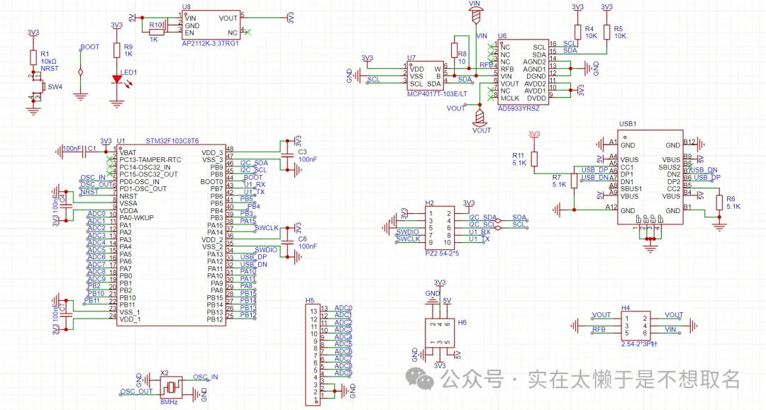
上期我们介绍了AD5933的大概性能和原理图设计,本期我们介绍一下如何驱动AD5933以及它的工作原理。

工作机理

对于要测量的阻抗Z来说,AD5933利用阻抗Z和反馈电阻RFB形成了一个反相比例放大器。VIN的电压由虚短可知为VDD/2,在3.3V工作电压下为1.65V,简单的推导一下下方这个运放的输出情况。

将其中的直流分量和交流分量分开,因为AD5933进行DFT之后仅统计当前频率的幅度。

舍去掉直流部分(DFT仅统计当前交流部分)后,我们可以得到阻抗Z和输出的关系。

所以我们要知道,实际的阻抗Z和运放的输出是一个倒数关系,在手册中AD5933将其统一作为一个增益系数以供计算。

寄存器介绍

AD5933的寄存器地址功能表如图所示,0x80和0x81作为控制寄存器决定着AD5933的工作模式。
其高4位决定了AD5933当前工作模式,这也是最重要的四位。

0x80的低四位是确定Vout的输出幅度和增益大小。

起始频率寄存器、频率增量寄存器、增量数寄存器决定了AD5933的起始频率、扫频范围以及频率间隔。

状态寄存器(0x8F)用来查询是否转换完毕,实部虚部寄存器返回输出幅度。

AD5933启动前需要将起始频率、增量数、频率增量数写入对应的寄存器,之后对控制寄存器的高四位发送起始频率初始化命令。

再扫描完成后进行下一个频率点的扫描(递增频率模式)或者重复当前频率点进行扫描(重复频率模式)。
因此只需要按部就班的向寄存器写入数据就可以非常轻松的使用AD5933。

在同一阻抗下(Z = 68K),Vout设定为200mA,逐级改变数字电位器大小,总共127级,从20修改至95即约15.7K逐级增加至74.8K情况下AD5933的幅度输出呈线性变化。

符合理论上的运放输出大小。

数字电位器设定阻值为50(电阻约为39.3K),我们可以发现,电阻较小的时候幅度会溢出。

去掉幅度溢出情况,可以发现幅度输出和电阻大小呈现了反比例函数。


下期进行进一步测试!


登录 或 注册 后才可以进行评论哦!
还没有评论,抢个沙发!