这段时间也是要打电赛了,就在昨日(7.23)也是发布了今年的电赛材料清单。



这里呢也是看到材料清单,表述一下自己的一些看法(押题)
对比这几年的题目和器件清单,其中肯定需要注意的有:

这些器件几乎的专门标注,几乎都是为了特殊的题目准备,所以我们主要根据这些器件来进行分析。

控制题肯定锁死是小车无疑了,而且应该还是相当复杂的小车,大概率是小车+摄像头+云台+激光笔+感光纸的组合,尤其是405nm波长的激光笔+感光纸,非常有可能涉及到绘图操作。

小车在行进的过程中利用激光去打击路径上出现的感光纸,并在感光纸上留下痕迹。
这既需要摄像头来寻找感光纸,有需要云台舵机来控制激光模块精确的命中。

第二种则是由摄像头舵机和激光笔固定,小车搭载感光纸行进,摄像头锁定小车并利用激光笔进行跟踪。

可能是类似于这样子的装置,最后根据感光纸上的范围来评分,例如痕迹范围越小,分数越高这样子。
除此之外,今年还有一个多功能量角器,这让我不得不想到很早很早一年出现的爬坡小车,就是要用量角器测量坡度来评分,万一是爬坡小车来打复活赛呢~
来看测量类可能到用到的器件和仪器,能非常明显的注意到,今年对仪器的要求有着很大的提高。

往年的数字示波器和信号发生器的性能要求为100MHZ和20MHZ,今年直接提升到了500MHZ和100MHZ。鉴于2023年电赛出现了直接测量电容容值和Q值的类型,今年大概率也有可能出现直接测量某个参数的值,并且精度要求非常非常的高!
不仅如此,今年单独提到了LCR测量仪和6位半的高精度万用表,都说明了,今年测量题对精度要求将会相当的苛刻。
有可能是高配电感测量仪(毕竟题目要求了高频电感 ),因为对于电感来说,频率越高阻抗越大,阻抗越大我们越好测得。其次就可能是LCR分析仪,但是肯定是和别的创新点合起来。
23年的电赛也出现了LCR测量仪,但是我觉得不是对应测Q值那道题目,而是对应了同轴电缆测长。因为Q值那题有专门的仪器高频Q表,而同轴电缆那道题的本质则是利用同轴电缆的长度和电容高度相关的特性,测量同轴电缆长度的本质则是在测量其电容。
而23年的电赛材料清单中,并没有出现同轴电缆这一材料,因此个人估计,今年也有可能出现明确要求测量阻抗的题目或者间接测量阻抗的题目。
某些实验室常见材料的某种特性和阻抗高度相关,赛方可能要求我们去测量这种材料的特性。
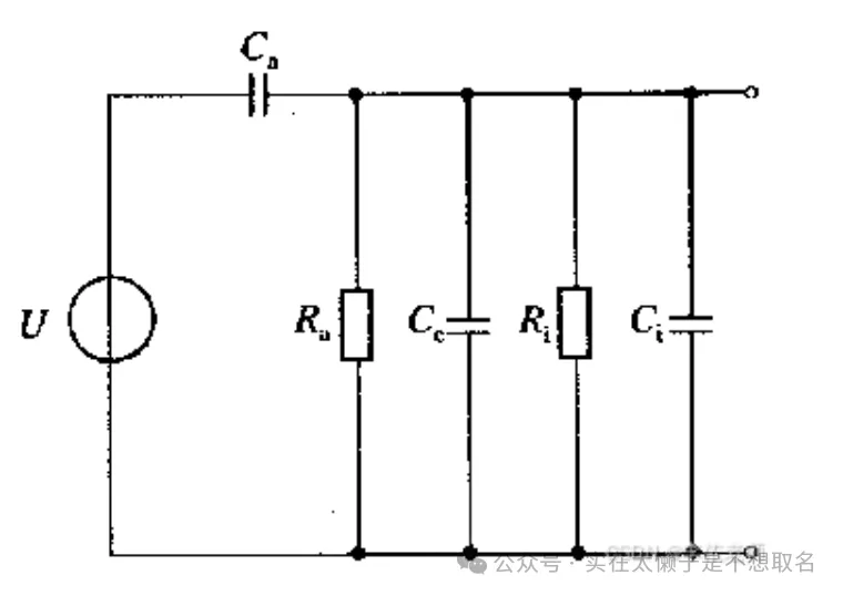
举个例子:压电式器件(如压电陶瓷)的等效电路图如下

对于压电式器件来说就需要特别关注它的阻抗曲线,例如常见的超声波探头的阻抗曲线如下:

在约40KHZ的时候阻抗最小(这也就是为什么推荐超声波探头工作频率是40KHZ)
类似于这种器件和其阻抗高度相关,让我们来测量器件的特性题目,很可能会在今年电赛重新上演。
因此今年的测量题尤其要关注高精度测量、阻抗测量和小电容、小电感测量这些方面!


登录 或 注册 后才可以进行评论哦!
还没有评论,抢个沙发!