
这个U盘支持Type-C接口和USBA接口。颜值还是可以的,哑光灰金属色。

外壳可以旋转,不过这种设计始终只能保护一个口。
插入电脑之后,显示58.5GB空间可用。

里面有两个文件,一个是加密工具,另一个是加密工具的说明文档。

找了13.2G的航拍视频准备拷贝进去试试。

发现速度波动幅度较大,在16.9MB/s到66.2MB/s之间来回跳动。



拆解第一步,先把这个可旋转的保护壳拿下来。

观察了一下,装配的时候应该整个是从右边插进去的,然后再Type-C这里再插入一个堵头就可以了。所以想办法把这个堵头撬开拿掉,就可以把电路板拿出来了。

板子正面是一个接口芯片,一个存储颗粒。其中接口芯片的型号是FC3379,存储颗粒的型号是YMC61001Tb。

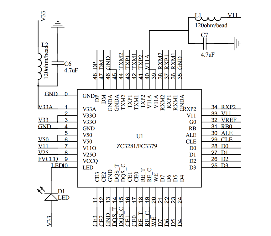
从背面来看,这个板子支持ZC3231和FC3379两种方案。

支持ZC3231和FC3379两种方案的原理图关键部分。

全家福。
嘉立创PCB


登录 或 注册 后才可以进行评论哦!
还没有评论,抢个沙发!