
看,我就说在垃圾站能捡到好东西吧!昨天去逛垃圾站看到一个IGBT模块。

和垃圾站老板娘软磨硬泡好久,一番口舌功夫总算没有白费,斥资20大洋终于把这个模块给买下来了。

这是这个IGBT的型号:GD800HTT65P4S,800代表电流800A,65代表电压650V。

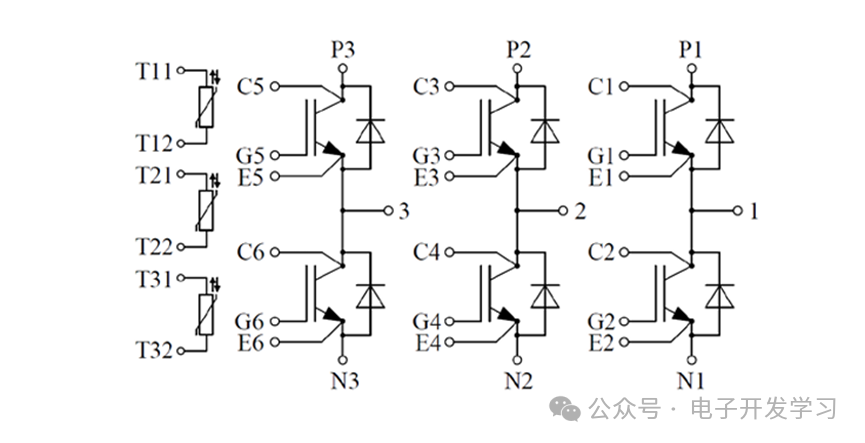
这是整个模块的等效原理图。

外形尺寸图与端子说明图。

背面整个是一个金属板,金属板上生长了很多小圆柱。结合四周的压痕可以看出,这上面应该还有个壳,壳上加两个水管就可以实现水冷了,其本质是一个简易换热器。

这一圈以前肯定压了一个密封圈。

换热柱所在的金属板和电路板之间有一层很厚的陶瓷。功率相关的电路就封装在这个陶瓷壳里。

电机的UVW相线都是直接用螺丝紧固在陶瓷基上的接线柱上的。

上面这个绿色的板子,作用就是栅极驱动。栅极驱动信号最终通过这些通孔焊点传递到功率器件上。

这里还有一块隔离电源电路。

中间这个座子负责接收控制板的信号。

座子特写。

板子上用了很多看着价值不菲的超大的MLCC电容,电容的封装是1812,不同颜色的尺寸稍有差别。至于容值和耐压等级就不得而知了,但是显而易见,这种电容价格不便宜,一颗单价估计不低于1块钱。

每个桥臂驱动上都有一个来自Avago的ACPL-38JT-500E,这是一个隔离电压5KV的逻辑输出光耦。

想要把上面的板子从陶瓷基上拆下里,有点困难,但是为了让大家看到igbt的内部结构,我还是知男而上了。

这是电路板背面,也有不少器件。

板子上整体喷了三防漆。

隔离部分做了开槽。

接下来就是掀起这个igbt模块脑瓜盖的时刻了。

里面是这样的。

有非常多的键合线,但是这键合线看起来好像不是金线啊。不过想想也合理,如果是金线,这么多这么粗的金线,垃圾站老板娘可不会20元卖给我。

左边是电源正极,右边是电源负极。

细节。

用来连接到驱动板上的一些信号,包括栅极驱动信号,VS信号,等等。

这应该是一个热敏二极管,用来检测模块内的温度。

每个桥臂内部的完整结构。

每个完整桥臂的顶视图。

功率器件的细节。

可能有人产生了疑问:为啥里面的铜皮上这么干净,没有一点脏东西,那是因为这个坑里灌了厚厚的一层高透明度的有机硅凝胶,这玩意像果冻一样Q弹。这种材料一方面可以缓冲机械应力,一方面耐温范围特别宽,从-40到200℃其Q弹性基本保持一致。而且它的体电阻率超大,用在这里简直太合适了。

IGBT模块仅仅是功率模块,要驱动一个电机转动,时序控制必不可少,这是配套的控制板。

这板子背面也有一片铝合金铸造外壳。

主控采用了Ti的16bit定点DSP芯片,型号是TMS320LF2407,这也是我拆解了很多东西首次拆解出DSP。但是这个DSP是比较古老的型号,最早发布时间是1999年,距离现在已经26年了,采用的是0.25um的CMOS工艺,主频“高达”40MHz。

这是控制板上连接到功率板的连接器。

关于控制板,由于过于古早,上面的东西没啥可写的。
这次拆解让我们得以一窥大功率电动汽车驱动系统的核心部件。虽然这是一款相对"古老"的设计,但其工程思路至今仍具参考价值。20元的投资换来的不仅是硬件本身,更是一次难得的电力电子学习体验。这也再次证明,对于技术爱好者来说,垃圾站确实可能藏着意想不到的"宝藏",但是要成功拿到,可少不了要和垃圾老板娘软磨硬泡一番。


登录 或 注册 后才可以进行评论哦!
还没有评论,抢个沙发!