
这显示器其实是群友用了8年然后坏了的,寄给我让我拆解。屏幕左下角还有贴纸,上面有IPS、HDMI、DP等相关关键性能和接口说明。

铭牌,制造日期是2016年的。

供电是外置适配器,通过一个DC口供电。在前面铭牌上也可以看到,电压12V。另外有耳机和麦克风接口。中间蓝色的自然就是VGA接口了。左边两个HDMI接口和一个DP口。

把我电脑的DP线拔下来插在这个屏幕上,给供电发现确实不亮屏,那就直接上手拆解。

这种屏幕拆解也没啥难度,按部就班拆就行。

黑色的塑料后盖底下,电路板部分有金属冲压壳体保护。

连接到按键和指示灯的排线。

连接到扬声器的线。

显示器内置的扬声器。

这就是显示器里面的接口板。

这一块是音频功放芯片和外围滤波电路。

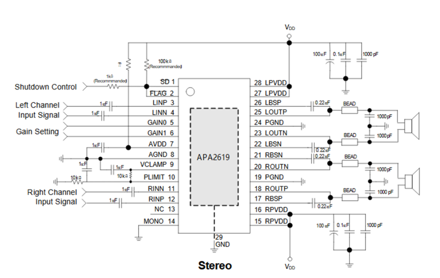
音频功放芯片的型号是APA2619,这是一款15W Stereo Class-D音频功放。

APA2619典型电路图。

这颗NIKOS P06P03LVG是来自尼克森的30V6A的P沟道MOS管。尼克森这个品牌,我以前拆解见到的比较少,但是我对它很熟悉,因为我手里还有几盘NIKOS的NMOS。

12V到5V的降压采用了MPS的NB650H,这个器件是一个4.5~28V输入,6A电流的BUCK降压转换器。

NB650H这个器件应用比较多的地方是笔记本电脑、工控板、显示器之类的产品。

这颗APA2176A是一颗270mW的Stereo免电容耳机驱动芯片。下面黑色和白色的连接器分别是耳机和麦克风。

VGA连接器细节。

两颗HDMI连接器细节。中间这个SOP-8封装的芯片是FM24C02C,是EEPROM。

板子中间最大的芯片是联咏的NT68859。貌似很多型号的AOC显示器用的都是这颗芯片。

主控芯片旁边有一颗ST的M24C16,也是一颗EEPROM,其功能应该是保存NT68859的配置。但是我比较纳闷的是,为啥一个主控芯片会挂两个EEPROM。

DP连接器,这个照片照的比较清楚,可以看到信号线上放置了这种DFN2510封装的穿心ESD。这种ESD二极管用起来比较舒服,走线特别方便,寄生电容比较低(一般在1pF以下),在USB3.0、HDMI、Displayport、ESATA、DVI、PCI-e等信号线上应用比较多。

板子另一端。

其中这个DPAK封装的MOS是AOS的AOD482。

板子背面是没有器件的。

前面拆解的接口板,最终是把信号连接到了屏幕背后的这块板。

由于这个板子太长了,几乎和屏幕差不多长,所以我分成几张照片拍。

总共引出了四组FPC软排线连接到了屏幕。

整个板子上最关键的芯片,这个芯片,看样子是集成了DC-DC,右边的10uh的是DC-DC电感。

但是看起来这个电感似乎有烧坏的痕迹。

板子上另一个比较关键的器件是这个LGDisplay SW0679芯片。圆弧走线看着很漂亮。

这个板子上的器件排布的非常整齐,看着比较舒服。

以上就是这个AOC显示器的拆解,由于屏幕侧的这个板子上面的器件都不太好找到器件手册,所以仅简单展示。完了就把板子收集起来拿去“炼金”。


登录 或 注册 后才可以进行评论哦!
还没有评论,抢个沙发!