徕芬吹风机,不管用过的,还是没用过的,应该都不会陌生。毕竟几乎每天都能看到它的广告,各种平台上都能看到。
所以我也抱着尝鲜的心态买了一个199元的SE-Lite送给了老婆。

一 产品包装与产品外观
去掉快递外包装之后是这个牛皮纸盒子。

去掉牛皮纸盒子之后,是真正的产品包装盒,看这个包装还是挺有逼格的。

盒子打开之后可以看到吹风机本尊了。

吹风机带线整体。

拨段开关和按键。

出风口视角。

出风口特写。

铭牌,这个吹风机的型号是LFHD SE-Lite,额定功率1400W,制造商是深圳术叶创新科技有限公司。产品寿命是10年,有3C认证。

这个塑料网罩是进空气的,空气从这些小孔进去,经过高速电机和扇叶带动之后,从出风口高速吹出。
二 拆解过程
今天趁着老婆出门做头发去了。我就拿出这个吹风机,打算拆解看看内部做工怎么样。

拆解的第一步是去掉外面这个塑料网罩。去掉之后可以看到还有一个金属滤网,上面好多灰尘夹杂毛絮,这是吹风机买来试用了两周期间积累的。正常可以去掉这个塑料网罩来清理。

去掉网罩之后可以看到尾部有两颗螺丝。

拆掉螺丝之后,拿下金属滤网之后,可以看到上面贴有保修标志。

从正面看,还有四个螺丝可以拆掉。

拆掉这些之后,想把手柄这个握手套筒拿下来,需要先把按键和拨段开关撬起来,这个没有合适的工具很难做到无损拆解。

拨段开关还好,是通过卡扣的方式固定的。而这个按键,扣进去之后还加了很多胶,撬的时候对外壳和按键都有一定程度破损。

接下来就可以把握手套筒取下来。

取下握手套筒之后可以看到还有几个螺丝孔。另外,导线走线的地方,有开槽,而且用耐高温胶带做了加固。

拆掉螺丝,去掉按键板上的小塑料件,可以看到按键板是黑色PCB,上面有一个RGB LED灯。

继续拆解,就能看到高速电机被蓝色的硅胶外套包裹着,安装在正常使用时握手的位置。

接下来,撬开后盖,就可以直接看到电路板。黑色的PCB板,用两颗螺丝固定。有元器件的位置刷了三防。

仔细看了一下后盖,是卡扣结构,上面还有一个槽,槽内嵌了一个透明的O型防水圈。

回到电路板,把固定电路板的两颗螺丝拆了之后,把电路板撬起来,发现撬到这个角度就不能动了,被底下七八根线扯住了。

用烙铁拆掉板子上焊接的线,拿掉板子,可以看到里面的加热丝。

拆掉固定加热丝的螺丝,可以把整个加热丝组件拿下来。可以看到加热丝外面套了一圈云母材质的隔热圈。

到这里,基本就完成了拆解。可以看到一个199的吹风机,上面东西还不少。
三 关键组件分析
1 滑动开关

这个滑动开关,是珠海拓林电子的TS-13系列滑动开关。

POSITION档位处于1的时候为OFF,档位处于2的时候,C引脚和1引脚导通,档位处于3的时候,C引脚和1引脚、2引脚都导通。

这个开关是用来调整风速的。
2 高速电机

高速电机的型号是LF01,额定电压为DC310V,转速107000r/min,功率105W。制造商是深圳术叶创新科技有限公司。

这是一个外转子高速无刷电机。有三个相线,通过一个PCB实现绕组和相线端子的连接,真是简单粗暴啊。

13片桨叶,造型看起来很漂亮。

从这个角度来看,可以看到线圈绕组。


去某宝搜了一下,这款105W电机的价格是15.5元一颗。另一款130W的居然才12.5元。
3 负离子发生器

这款负离子发生器的型号是NB-LM,交流电供电,功率小于1W,来自东莞市南柏电子科技有限公司。

这个负离子发生器的供电线是红色和黑色。

产生的负离子通过白色的线输送到出风口的位置。并通过金属片传导到出风口的金属尖端来释放产生的负离子。
4 按键灯板

这个板子上的按键,是用来调节风温的,按键旁边有一个RGB LED灯,通过不同的LED颜色显示不同的风温。

板子背面是生产批号和连接器,看生产批号是23年第52周,用的是SH1.0 5P连接器。板子上也预留了直接焊线的通孔焊盘。估计是评估下来用连接器的生产效率更高,整体成本更低,所以现在看到的这个用的是连接器。
5 主控板

主控板正面。

主控板背面。

主控板直径:64mm左右。
四 主控板电路分析
01
MCU

MCU的型号是CMS32M5710L048,封装为LQFP-48,基于ARM-Cortex M0内核,是中微半导体电机控制产品线的主力产品。广泛应用于正弦吸尘器、电动两轮车、变频空调、变频洗衣机、高压高速吹风机等产品。
02
电机驱动MOS

板子正面的3颗MOS和背面的3颗MOS,加上其他外围器件,组成了一个无刷电机驱动电路。MOS的型号是AP5N50BD,封装TO-252-3,来自永源微电子。这个MOS的电压是500V,电流5A,Rdson典型值为2.4Ω。
03
MOS栅极驱动器

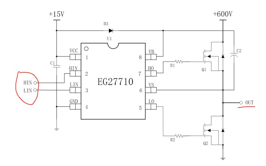
高压半桥MOS驱动芯片是EG27710,封装SOP-8,来自屹晶微,板子上总共有三颗。

EG27710 典型应用电路图,三路同样的电路组成了BLDC电机驱动。其中三路HIN和LIN是来自MCU的驱动信号,三路OUT接电机的U\VW。
04
双向可控硅

板子上有一个TO-220A封装的双向可控硅。型号是BTA16-600CW,从品牌LOGO上来看是来自于捷捷微。可控硅简写SCR,也叫晶闸管,广泛应用于交流控制系统中,可以实现用小功率控制大功率设备。这个吹风机中的可控硅的作用是控制发热丝。可控硅驱动一般采用专用的光耦,下面就介绍光耦。
05
光耦

用来驱动双向可控硅的光耦型号是QXM3063,来自群芯微。该器件是由一个GaAs红外发光二极管和一个单晶硅芯片的过零相位光电双向晶闸管组成的光耦。峰值击穿电压为600V,输入输出隔离电压为3750Vrms,工作温度-55到110℃。

在ST的应用文档AN4993中看到这个图,和这个吹风机的应用比较类似。
06
整流桥堆

整流桥型号YBS3010,封装YBS,来自扬杰。
07
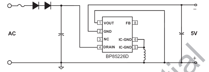
AC-DC开关电源

上图中的SOP-7封装的器件是BP85226D,来自晶丰明源。这是一款高集成度的开关电源芯片,适合用于全电压85-265VAC输入的BUCK,Buck-Boost变换器拓扑应用。

BP85226D的典型电路,外围非常简单, 一个电感,两个电容,两个肖特基二极管就够了,确实是高集成度的开关电源芯片。
08
LDO

在板子上最大的电容下面,藏了一颗LDO,上面丝印是78L05,根据这个无法判断是哪一家的LDO。
09
X2安规电容

X2安规电容来自科尼盛,型号为MPX474K31D4KN15800。
10
NTC热敏电阻

NTC热敏电阻型号为8D-11,厂家不能确定。
11
保险丝

保险丝的电流为3.15A,厂家不能确定。
五 主控板器件清单

六 后记
文章写到这儿,突然听到开门声,应该是老婆要回来了。

我赶紧把所有的配件收起来,给放回到原位置了。
希望我人没事。


登录 或 注册 后才可以进行评论哦!
还没有评论,抢个沙发!