前面几期介绍有关于NE555的一些经典电路,本期我们使用555定时器来实现电子门铃。
利用轻触开关、555定时器制作电子门铃,当按下开关时,可使门铃以1.2kHz响10s;

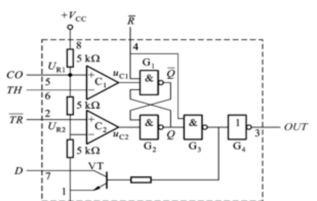
555定时器由其内部三个5K电阻而得名,由两个比较器和RS触发器构成主要结构,其中的2,6作为触发引脚将其连接在一起,利用7脚和3脚状态相同以及RC充放电路即可构成无稳态振荡器。
#RST引脚作为复位脚在0~3.5时将禁用555定时器,在3.5V以上则可以正常使用定时器。
关于555的原理原理不多赘述,我们使用555定时器的无稳态振荡器来实现1.2KHZ方波的产生,以及利用RC充放电路控制555定时器的使能端来实现10秒的工作时间。

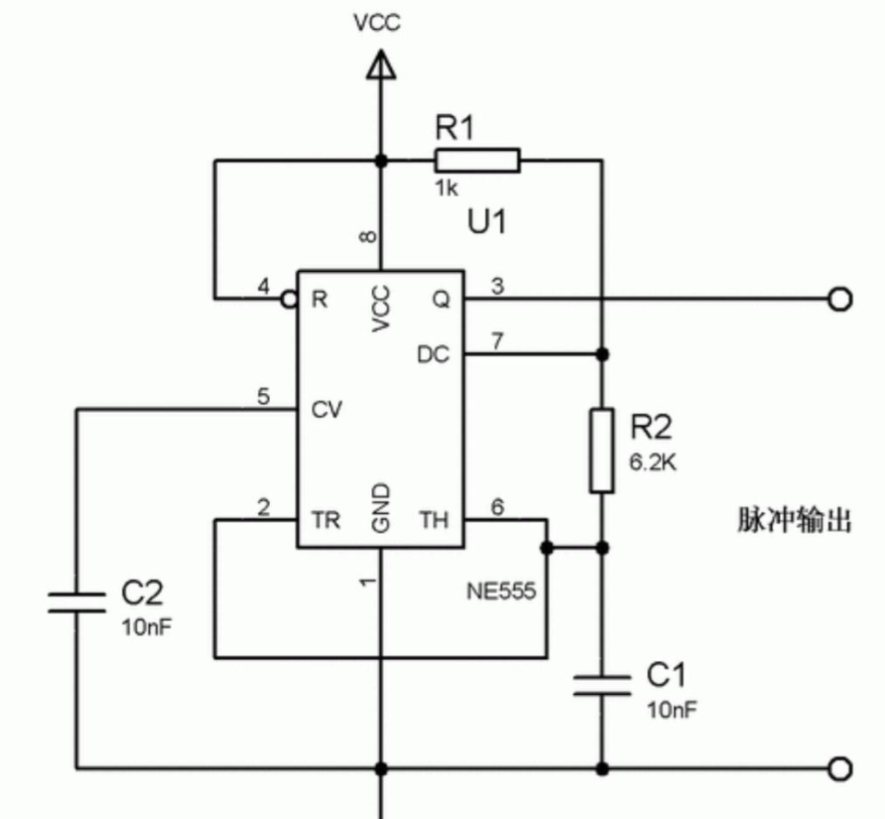
如图所示这是一个经典无稳态振荡。
接着我们利用RC充放电电路来 控制其RST复位引脚 ,正常情况下RST引脚处于低电平不使用状态。

我们利用如图所示电路,当开关S1闭合时电容直连电源,认为充电时间无限短,当开关断开的时候,电容通过电阻R3进行放电。
RST引脚是低电平有效,而对于5V电平来说,3.5V以上才会认为是高电平,因此当我们的电压低于3.5V就会失效。
我们可以利用 RC充放电电路的公式 来计算

当我R3 取28K,C取10uF,V0初始电压为5V,V1为0V,Vt为3.5V计算得t = 99.86ms,仿真得100.624ms非常接近。
所以只需要R = 280K,C = 100uF(或者二者乘积相同即可)由于延迟十秒仿真软件测不出来。
因此使用这种RC电路来控制RST的方式来控制使用时间是非常好用的一种方式来实现单次定时。


登录 或 注册 后才可以进行评论哦!
还没有评论,抢个沙发!