一、产品概述
型号:SL4008B品牌:FANSEA(泛海微)类型:100W大功率外置MOS升压DC-DC控制器
二、主要特点
宽输入电压范围:支持5V至100V的输入电压范围,甚至可扩展到100V以上,满足多种应用场景的需求。高效率:转换效率可高达97%,有效减少能量损耗,提升系统性能。固定工作频率:芯片采用固定频率的PWM(脉冲宽度调制)控制方式,并在轻载条件下自动降频,以提高转换效率。内置保护机制:过流保护:内置过流保护功能,确保在电流过大时自动切断输出,保护电路安全。过温保护:内部集成过温保护电路,防止芯片过热损坏。EN脚关断功能:通过EN脚实现芯片的关断控制,方便系统管理。频率可调:芯片工作频率可通过外接电阻调节,便于根据不同应用需求设置系统工作频率。简化外围设计:内置高精度误差放大器、振荡器以及频率补偿电路,简化了外围电路设计。软启动:内置软启动电路,减少启动时的电流冲击,提高系统稳定性。
三、封装与尺寸
封装形式:SOP8封装,便于PCB布局和焊接。
四、应用领域
EPC/笔记本车载适配器:为电子产品和笔记本提供稳定的电源供应。升压、升降压转换:适用于需要电压转换的各种电子设备。手持设备供电:为智能手机、平板电脑等手持设备提供电力支持。
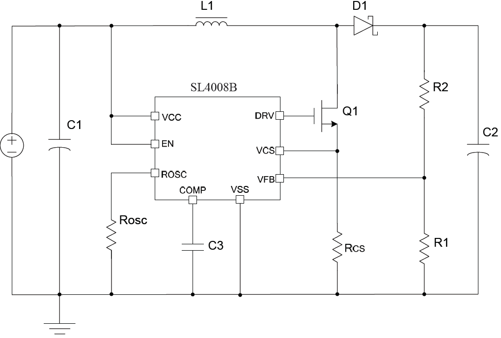
五、典型应用电路
SL4008B通常与MOS管、电感、电容等元件组合使用,构成升压或升降压电路。具体电路设计需根据实际应用场景和参数需求进行调整。
100W大功率外置MOS升压DC-DC控制器SL4008B
概述:
SL4008B 是一款专为升压、升降压开关电源设计的专用DC-DC 控制器芯片。
SL4008B 典型应用支持5-40V 输入电压范围。通过扩展输入供电,也可以支持
100V 以上的输入电压范围。芯片采用固定频率的PWM 控制方式,并在轻载条件下自动降频提高转换效率。
芯片内置高精度误差放大器,振荡器,以及频率补偿电路,简化了外围设计。芯片内置过流保护以及EN 脚关断功能。
芯片工作频率可通过一个外接电阻调节,方便根据不同应用设置系统工作频率。
SL4008B 内部集成了软启动以及过温保护电路,减少外围元件并提高系统可靠性。
SL4008B 采用SOP8 封装。
特点:
宽输入电压范围:5V~100V
高效率:可高达97%
固定工作频率,频率可外接电阻设置
EN 脚关断功能
FB 采样电压:1V
内置频率补偿
内置软启动
内置过温保护
内置限流功能
SOP8 封装
应用:
EPC/笔记本车载适配器
升压、升降压转换
手持设备供电
原理图:


登录 或 注册 后才可以进行评论哦!
还没有评论,抢个沙发!