AD1131是一款高效率的DC-DC降压开关稳压器能够提供高达3A的输出电流。该器件的工作电压范围为2.4V至7.3V的输入电压,并提供从0.6V的输出电压输入,使低电压电源转换理想的AD1131。运行在1MHz的固定频率允许使用小电感值和低DCR电感器,从而实现更高的效率。其他外部元件,如陶瓷输入和输出电容,也可以很小,由于更高的开关频率,同时保持卓越的低噪声输出电压。内部软启动控制电路,减少浪涌电流。短路和热过载保护提高了设计可靠性。AD1131采用小型SOT23-5L封装
特点
宽输入电压范围:2.4-7.3V
待机电流42uA(电压输出=1.2V
电压输出=0A)
效率高达96%
高达3A最大输出电流
1MHz频率
轻负荷运行
SOT23-5封装
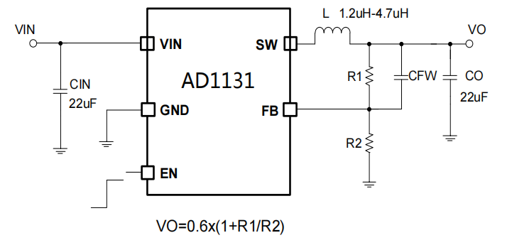
典型电路图应用

这款产品主要是针对频繁启动关闭的线路,5V的降压芯片 目前在市面上已经非常多了。但是大部分的耐压都只到6.5V-7V。即使前置的电容做得再好 在频繁的启动和关闭也会出现烧掉的情况。特别是高端一点的产品上面,烧坏的时候造成损失就比较大。


硬创社

登录 或 注册 后才可以进行评论哦!
还没有评论,抢个沙发!