VD1012内置高精度电压检测电路和延迟电路以及内置MOSFET,是用于单节锂离子/锂聚合物可再充电电池的保护IC。
本IC适合于对1节锂离子/锂聚合物可再充电电池的过充电、过放电和过电流进行保护。
VD1012具备如下特点:高精度电压检测电路
过充电检测电压 4.30V 精度±50mV
过充电释放电压 4.15V 精度±70mV
过放电释放电压 3.00V 精度±100mV
过放电检测电压 2.80V 精度+100mV
各延迟时间由内部电路设置
过充电检测延迟时间 典型值100ms
过放电检测延迟时间 典型值100ms
放电过流检测延迟时间 典型值20ms
低耗电流
典型值1.5μA,(VDD=3.5V)典型值0.5μA,(VDD=2.0V)
工作模式过放电模式
允许向0V电池充电
宽工作温度范围:-40℃℃~+85°C
小型封装:SOT-353
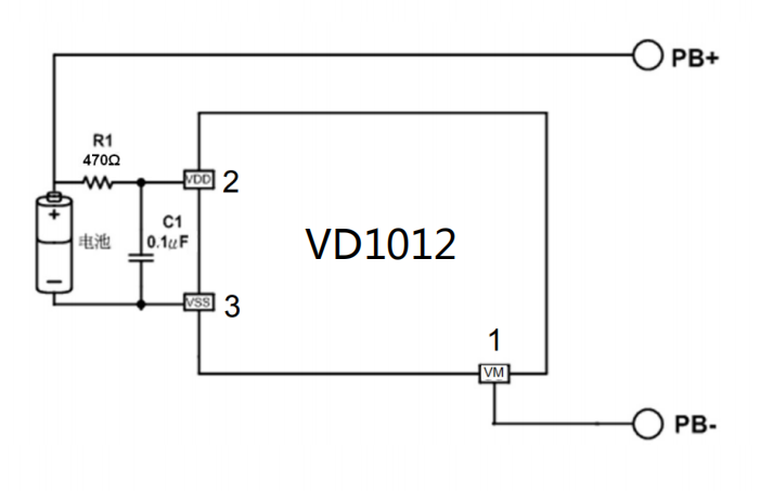
典型原理图应用:


硬创社

登录 或 注册 后才可以进行评论哦!
还没有评论,抢个沙发!