产品描述
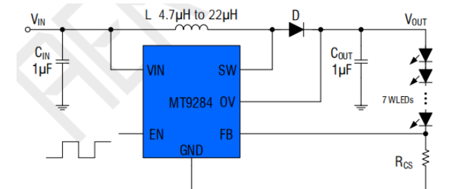
MT9284是一个升压转换器,设计用于从一个单电池锂离子电池驱动多达7个系列的白色led。MT9284使用电流模式,固定频率结构来调节LED电流,它通过外部电流感测电阻进行测量。MT9284包括欠压锁定、限流和热过载保护,以防止在输出过载时发生损坏。优化的运行频率可以满足LC滤波器值小、低运行电流的要求。内部软启动功能可以降低冲涌电流。小型包装类型为节省PCB空间和总BOM成本提供了最好的解决方案。
产品特点
高效率:高达90%
1.2MHz恒频运行
集成式内部电源MOSFET
驱动最多7个系列wled,软启动/调光
UVLO,热停机,内部电流限制
过电压保护,小型LC滤波器,最小化外部组件
<1µA关闭当前,SOT23-6软件包

MT9284使用恒定频率、峰值电流模式升压调节器架构来调节一系列白色led串。在每个振荡器周期开始时,FET通过控制电路被打开。为了防止占空比大于50%的次谐波振荡,在电流感测放大器的输出中增加一个稳定斜坡,结果被输入PWM比较器的正输入。当该电压等于误差放大器的输出电压时,功率场效应晶体管被关闭。误差放大器输出处的电压是参考电压和反馈电压之间差的放大版本。这样,峰值电流水平就能保持输出在调节状态中。如果反馈电压开始下降,误差放大器的输出就会增加。这导致更多的电流流过功率场效应体,从而增加传递到输出的功率
#嘉立创PCB##畅聊专区##PCB有什么好玩的##DIY设计##嘉立创##功能上新##FR-4(1-4层)##FR-4(6-32层)#

登录 或 注册 后才可以进行评论哦!
还没有评论,抢个沙发!