无需编程,零基础也能制作的嘉立创电热膜mini桌面暖风机!
发热片小批量定制费用高?
现货成品与预期不达标?
该怎么低成本满足DIY需求?
发热片性价比の王
嘉立创电热膜来帮忙!
20元特价打样
助力零基础mini桌面暖风机2.0全新升级
是兄弟就来复刻!

嘉立创电热膜mini桌面暖风机
由嘉立创电热膜联合电子工程师@Zor精心打造
点击文末的的链接可跳转至原项目

嘉立创电热膜mini桌面暖风机项目介绍
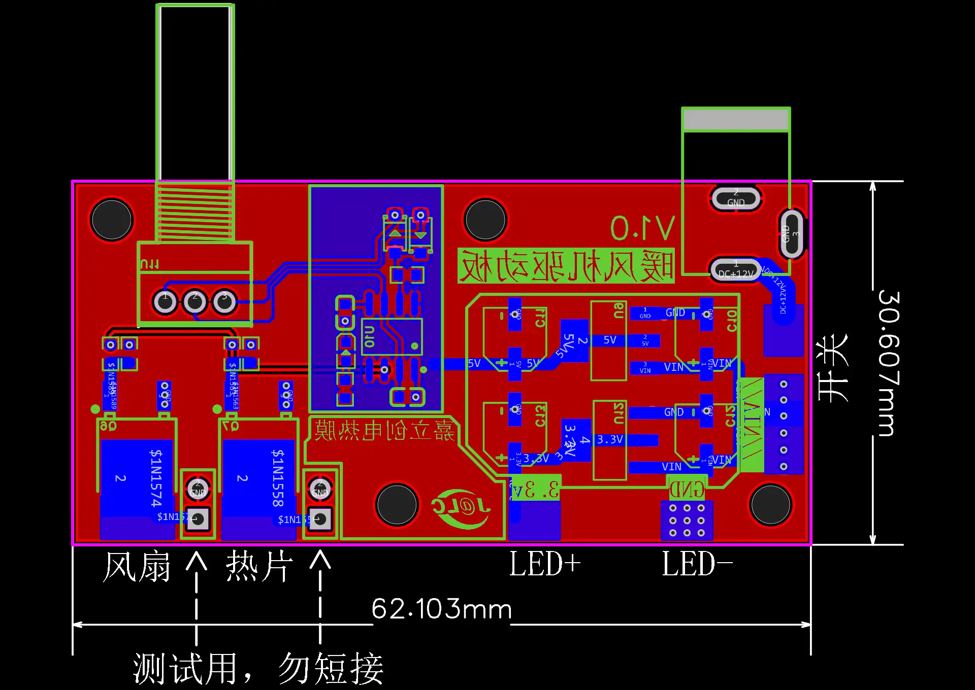
暖风机整体尺寸:60*28*75。(单位:mm)
复刻成本:33元
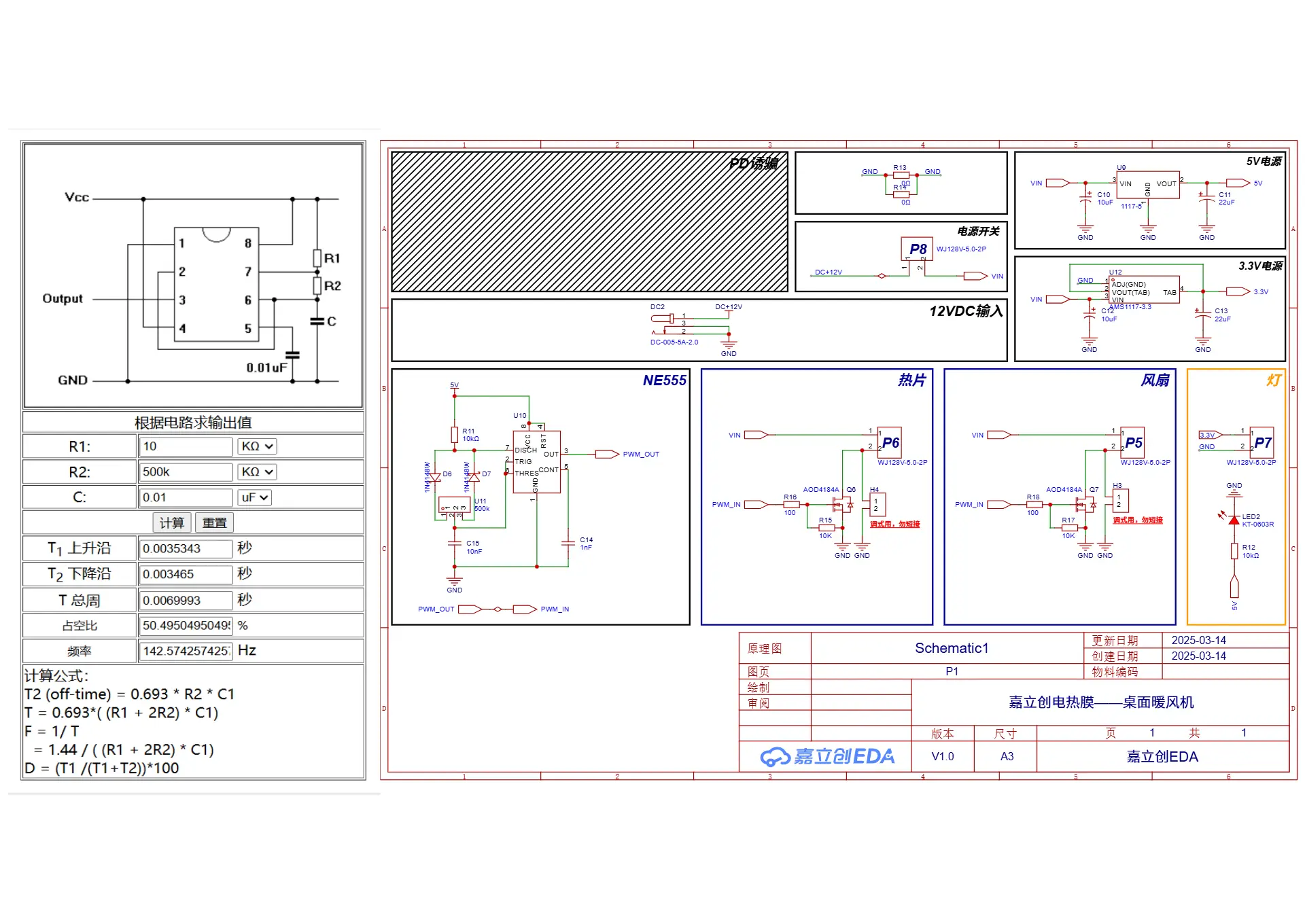
电路部分:ne555可变占空比脉冲产生电路

原理图

PCB

组装视频
注意:
1.嘉立创电热膜下单时一定要选择需要背胶和焊线。
2.测试或者使用时一定要注意安全,虽然发热片的面积小,但功率有24W,发热温度非常高,小心烫伤!
3..由于给发热膜贴的散热有点多,温度测试与预测温度会不一致。出风口大概50℃,吹到手上是温热暖和的感觉。
嘉立创发热片保姆级下单教学

一台暖风机最重要的部分就是发热片,而市面上的的发热片无非是成品和定制两大类。如果选择成品PI发热片,大概会没有合适的现货,只能付出高昂费用进行定制。
那么成品 PTC 热片呢?一样的,只能按照它有的外形去设计,虽然性能不错,但是它的功率要求不是一般的大,只有达到冲击功率后,慢慢降到稳态功率才能正常工作。而冲击功率往往都是100W以上。这个时候就到我们的最佳选择上场了--嘉立创电热膜!
嘉立创电热膜,20元特价打样火热进行中!不仅提供免费的布线设计,还有AI大数据智能预测发热片最高温,就算是零基础小白也不慌。打样最快2天,批量最快3天,让开源复刻“分分钟”实现。

嘉立创电热膜——mini桌面暖风机项目复刻
可以对照以下的工艺信息
下单页面备注:M2502270021+mini桌面暖风机
即可下单同款发热片


项目链接:https://oshwhub.com/zzron/mini_warm-air-blower
嘉立创电热膜官网:
深圳嘉立创科技集团股份有限公司-电热膜/发热片/发热膜/加热片
AI设计页面直达链接:
深圳嘉立创科技集团股份有限公司-电热膜/发热片/发热膜/加热片
嘉立创下单页面链接:
同时,我们也欢迎更多的电子工程师参与嘉立创电热膜相关的开源项目,我们会提供经费和耗材支持!走过路过不要错过哦!

打样免费下载工程设计源文件!
电热膜/发热片/加热片
PI膜加热片价格140元/平米
硅胶膜加热片价格180元/平米
打样最快2天
批量最快3天
嘉立创电热膜网站可免费获取
《电热膜布线计算原理与设计技巧学习视频》
#嘉立创电热膜# #嘉立创电热膜开源项目# #嘉立创电热膜打样免费下载工程源文件# #DIY设计##嘉立创PCB##嘉立创##畅聊专区##创享2025#


登录 或 注册 后才可以进行评论哦!
还没有评论,抢个沙发!