本章讲解:RK3588 HDMI输出接口
RK3588 内置两个 HDMI/eDP TX Combo PHY
HDMI/eDP TX Combo PHY 支持以下两个模式:
l HDMI TX 模式:最大分辨率支持 8K@60Hz,支持 RGB/YUV444/YUV420(Up to 10bit)格式;
l eDP TX 模式:最大分辨率支持 4K@60Hz,支持 RGB/YUV422(Up to 10bit)格式。 

RK3588芯片的 HDMI 2.1 TX,包含两个 HDMI TX/eDP MUX(复用器)端口,即 Port0 和 Port1。这些端口可在 HDMI 和嵌入式 DisplayPort(eDP)功能间复用,支持不同的传输速率:HDMI V2.1 速率为 12Gbps,eDP V1.3 速率为 5.4Gbps。
接口连接
· HDMI TAP 接口:每个端口都有多组 HDMI TAP 接口(如 HDMI_TAP_PORT0_TP1 - TP4、HDMI_TAP_PORT1_TP1 - TP4 等),这些接口用于连接 HDMI 线缆或其他 HDMI 设备,实现视频和音频数据的传输。每组接口通常包含多个引脚,分别对应不同的信号传输,如数据传输、时钟信号等。
· 电源和控制引脚:包含如 HDMI_VDD、HDMI_RESET_N 等引脚。HDMI_VDD 为 HDMI 接口提供电源,HDMI_RESET_N 用于复位 HDMI 接口,确保其正常工作。
元件作用
· 电阻(R):例如 R109、R112 等电阻,在电路中起到限流、分压等作用。比如,它们可能用于调整信号的电平,确保信号在传输过程中的稳定性和兼容性。
· 电容(C):像 C1701、C1702 等电容,主要用于滤波、去耦等。电容能够去除电源中的高频噪声,使电源更加稳定,同时也能在信号传输中起到稳定信号的作用。
注释说明
· “If not used, Signal: tie to VSS, Power: Tie to VSS”:表示如果某些信号或电源不使用,需将其连接到地(VSS),以避免干扰和不稳定因素。
· “Note: Close to the HDMI Connector”:强调 HDMI 连接器要尽可能靠近相关电路,这样可以减少信号传输路径上的损耗和干扰,保证信号质量。
· “Note: The HDMI2.1 trace”:提示关于 HDMI 2.1 信号走线的相关注意事项,在 PCB 设计时,HDMI 2.1 信号走线需遵循特定的规则和要求,以确保高速信号的正常传输。
总体而言,这份原理图详细展示了 RK3588芯片的 HDMI 2.1 发送端的电路连接和设计要点,是进行相关硬件设计和调试的重要参考。
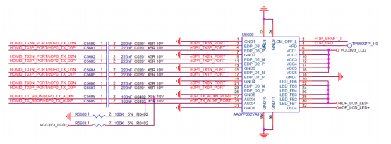
RK3588的HDMI和EDP端口可以复用,当我们需要edp输出时,可以按照下面来设计
eDP TX 模式
支持 eDP V1.3 版本,总共 4Lane,eDP TX 最大输出分辨率可达 4K@60Hz
n 每个 Lane 速率可支持 1.62/2.7/5.4Gbps;
n 支持 1Lane 或 2Lane 或 4Lane 模式;
n 支持 AUX 通道,速率可达 1Mbps。
以 eDP TX0 举例,eDP TX1 和 eDP TX0 一致。
eDP_TX0_D0P/DON、eDP_TX0_D1P/D1N、eDP_TX0_D2P/D2N、eDP_TX0_D3P/D3N 需要串接的 220nF
交流耦合电容,交流耦合电容建议使用 0201 封装,更低的 ESR 和 ESL,也可减少线路上的阻抗变化,布
局时,靠近 RK3588 管脚放置


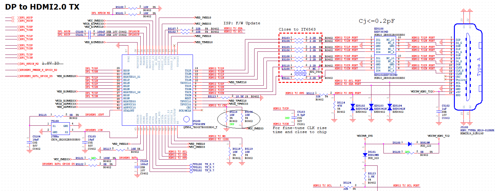
为了实现多路HDMI输出,rk3588方案可以通过DP转成HDMI,下面来看一下实现方法

核心芯片图中中心位置的芯片是 IT6563(标注为 U5100),它是实现 DP 到 HDMI 2.0 信号转换的关键芯片。该芯片采用 QFN56 封装(型号为 IT6563FN)。
输入输出接口
- DP 输入接口:左侧有多组标注为 “DP1_Tx/P” 和 “DP1_Tx/N” 等的引脚,这些是 DisplayPort 的输入信号引脚,用于接收 DP 信号源传来的视频和音频数据。
- HDMI 输出接口:右侧蓝色框内是 HDMI 输出接口(标注为 J5100),类型为 Type - A,用于将转换后的 HDMI 2.0 信号输出到显示设备,如电视或显示器。
电源连接图中有多个电源连接,如 “VCC_OVDD33” 等,为芯片和电路中的其他元件提供 3.3V 等不同电压等级的电源,确保各部分正常工作。
电阻电容元件
- 电阻(R):电路中有许多电阻,如 R5101、R5102 等,它们主要用于限流、分压以及阻抗匹配等。例如,在信号传输路径上的电阻可用于调整信号的电平或匹配传输线的阻抗,以减少信号反射和损耗。
- 电容(C):电容元件如 C5101、C5102 等,主要作用是滤波、去耦和稳定电源。例如,靠近芯片电源引脚的电容可以滤除电源中的高频噪声,为芯片提供稳定的电源。
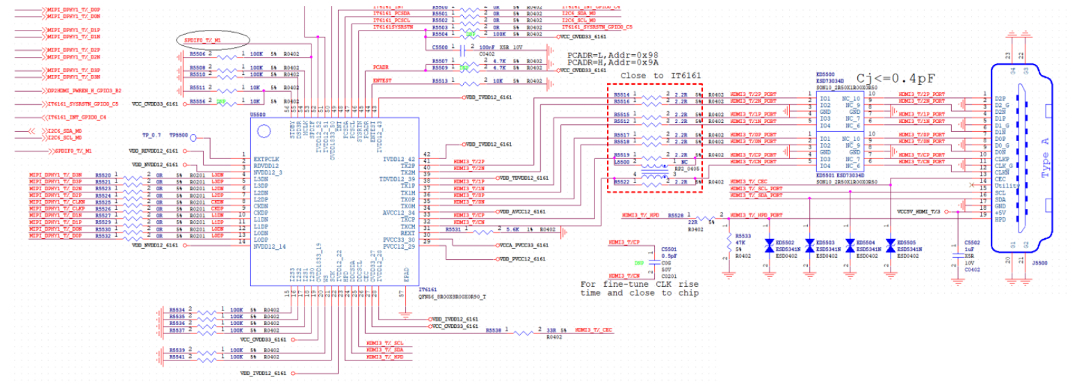
另外 还可以通过MIPI转HDMI输出

该电路核心是 IT6161 芯片。左侧接入 MIPI 视频信号,芯片将其处理转换。右侧通过 HDMI 接口输出信号。电路中有电阻、电容等元件,电阻用于分压、限流和阻抗匹配,电容起滤波、去耦作用。还有标注提示部分元件需靠近芯片,以优化时钟信号上升时间等性能 。
核心芯片图中核心芯片为 IT6161(U5500),采用 QFN 封装。它在电路中负责处理和转换输入的视频信号。
输入信号左侧有一组 MIPI_DPHY1 相关信号输入引脚,如 MIPI_DPHY1_V_DOP、MIPI_DPHY1_V_DON 等,MIPI(Mobile Industry Processor Interface)是用于移动设备处理器间连接的接口标准,
输出接口右侧蓝色框内是 HDMI 输出接口(J5500),类型为 Type - A,这是常见的 HDMI 接口形式,用于将处理后的视频信号输出到支持 HDMI 输入的显示设备,如电视、显示器等。

登录 或 注册 后才可以进行评论哦!
还没有评论,抢个沙发!